Запчасти Komatsu GD655-3C АККУМУЛЯТОР ЭЛЕКТРОПРОВОДКА ЭЛЕКТРИКА

Схема запчастей Komatsu GD655-3C - АККУМУЛЯТОР ЭЛЕКТРОПРОВОДКА ЭЛЕКТРИКА
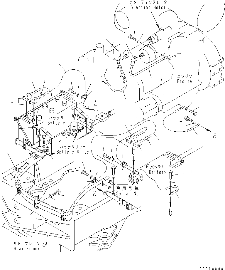
1
2
3
4
5
6
6
7
7
8
9
10
11
12
13
13
14
14
15
16
17
17
18
18
19
19
19
19
19
19
19
20
20
20
20
21
21
21
22
22
22
23
24
FIT
1:1
100%

Артикул

Название

Примечание

Количество

1

08028-64080

CABLE, BATTERY

SN: 50001-UP

1шт.

2

08028-44045

CABLE, GROUND

SN: 50001-UP

1шт.

3

01010-81016

BOLT

SN: 50001-UP

1шт.

4

01643-31032

WASHER

SN: 50001-UP

1шт.

5

08028-44045

CABLE, GROUND

SN: 50001-UP

1шт.

6

01010-81016

BOLT

SN: 50001-UP

2шт.

7

01643-31032

WASHER

SN: 50001-UP

2шт.

8

23B-06-41190

CABLE

SN: 50001-UP

1шт.

9

23B-06-41141

CABLE

SN: 50001-UP

1шт.

10

01010-81220

BOLT

SN: 50001-UP

1шт.

11

01643-31232

WASHER

SN: 50001-UP

1шт.

12

23B-06-42660

CAP

SN: 50001-UP

1шт.

13

232-06-11960

CAP

SN: 50001-UP

2шт.

14

08038-42511

CAP

SN: 50001-UP

3шт.

15

08038-22511

CAP

SN: 50001-UP

1шт.

16

08038-00035

CAP

SN: 50001-UP

1шт.

17

23B-06-41151

CABLE

SN: 50001-UP

1шт.

18

234-06-41320

BAND

SN: 50001-UP

2шт.

19

04434-52210

CLIP

SN: .-UP

9шт.

19

04434-52210

CLIP

SN: 50001-.

8шт.

20

07095-20314

CUSHION

SN: .-UP

9шт.

20

07095-20314

CUSHION

SN: 50001-.

8шт.

21

01010-81016

BOLT

SN: .-UP

7шт.

21

01010-81016

BOLT

SN: 50001-.

6шт.

22

01643-31032

WASHER

SN: .-UP

7шт.

22

01643-31032

WASHER

SN: 50001-.

6шт.

23

01010-81020

BOLT

SN: 50001-UP

1шт.

24

01643-31032

WASHER

SN: 50001-UP

1шт.

Выбрано товаров: 28