Запчасти Komatsu GD655-3C ВПУСК ВОЗДУХА (ВОЗДУХООЧИСТИТЕЛЬ ТРУБЫ) (/) КОМПОНЕНТЫ ДВИГАТЕЛЯ

Схема запчастей Komatsu GD655-3C - ВПУСК ВОЗДУХА (ВОЗДУХООЧИСТИТЕЛЬ ТРУБЫ) (/) КОМПОНЕНТЫ ДВИГАТЕЛЯ
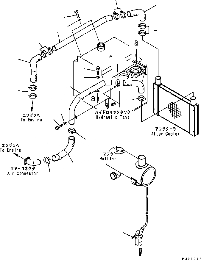
12
11
10
12
11
9
8
9
14
14
13
2
1
2
4
5
3
7
7
6
15
FIT
1:1
100%

Артикул

Название

Примечание

Количество

1

23B-02-34260

HOSE

SN: B15001-UP

1шт.

2

07299-00080

CLAMP

SN: B15061-UP

4шт.

|2

07299-00080

CLAMP

SN: B15001-B15060

2шт.

3

23B-02-34240

TUBE

SN: B15001-UP

1шт.

4

01010-81225

BOLT

SN: B15001-UP

2шт.

5

01643-31232

WASHER

SN: B15001-UP

2шт.

6

23B-02-34220

HOSE

SN: B15001-UP

1шт.

7

07299-00080

CLAMP

SN: B15061-UP

4шт.

|7

07299-00080

CLAMP

SN: B15001-B15060

2шт.

8

23B-02-34250

HOSE

SN: B15001-UP

1шт.

9

07299-00080

CLAMP

SN: B15001-UP

2шт.

10

23B-02-34230

TUBE

SN: B15001-UP

1шт.

11

01010-81225

BOLT

SN: B15001-UP

2шт.

12

01643-31232

WASHER

SN: B15001-UP

2шт.

13

23B-02-34210

HOSE

SN: B15001-UP

1шт.

14

07299-00080

CLAMP

SN: B15001-UP

2шт.

15

08034-20536

BAND

SN: B15001-UP

1шт.

Выбрано товаров: 17