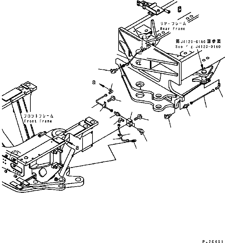
Запчасти Komatsu GD655-3C УДАЛЕННАЯ СМАЗКА РАМА И КОМПОНЕНТЫ

Схема запчастей Komatsu GD655-3C - УДАЛЕННАЯ СМАЗКА РАМА И КОМПОНЕНТЫ
8
1
13
7
3
4
5
7
2
4
6
12
11
9
12
4
9
10
FIT
1:1
100%

Артикул

Название

Примечание

Количество

1

23B-46-31540

BLOCK

SN: B15001-UP

1шт.

2

23B-46-31551

TUBE

SN: B15001-UP

1шт.

3

23B-46-31570

TUBE

SN: B15001-UP

1шт.

4

421-09-12540

ELBOW

SN: B15001-UP

3шт.

5

423-09-12110

CONNECTOR

SN: B15001-UP

1шт.

6

07020-00675

FITTING {GREASE}

SN: B15001-UP

2шт.

7

04434-50610

CLIP

SN: B15001-UP

2шт.

8

01435-01014

BOLT

SN: B15001-UP

2шт.

9

23B-46-32510

TUBE

SN: B15001-UP

2шт.

10

421-09-12540

ELBOW

SN: B15001-UP

2шт.

11

423-09-12110

CONNECTOR

SN: B15001-UP

2шт.

12

07020-00675

FITTING {GREASE}

SN: B15001-UP

2шт.

13

01435-01035

BOLT

SN: B15001-UP

1шт.

Выбрано товаров: 13