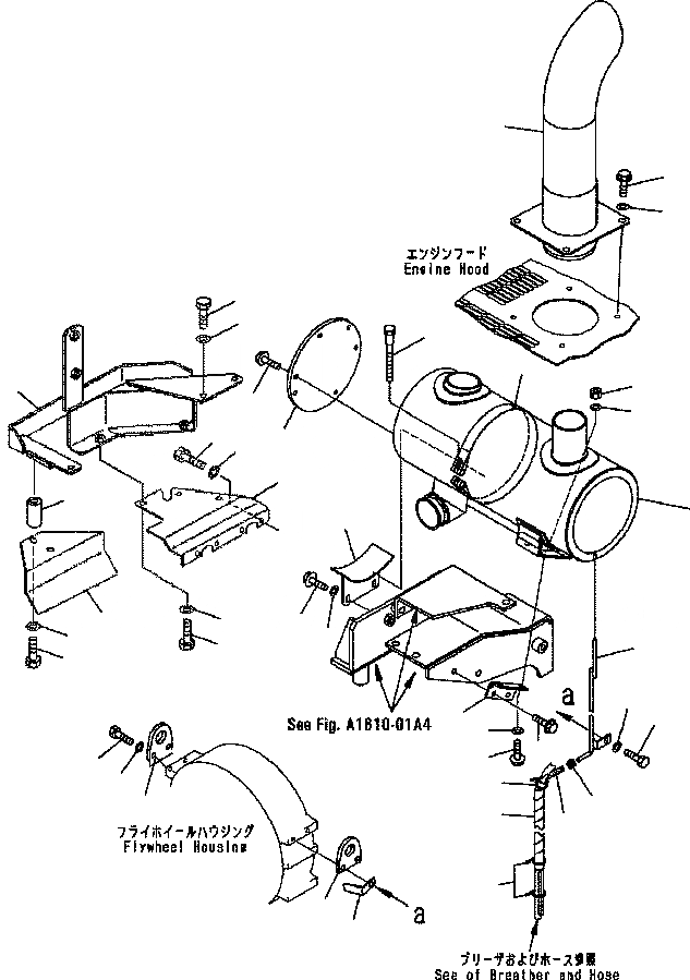
Запчасти Komatsu GD655-3C ВЫПУСКН. СИСТЕМА КОМПОНЕНТЫ ДВИГАТЕЛЯ

Схема запчастей Komatsu GD655-3C - ВЫПУСКН. СИСТЕМА КОМПОНЕНТЫ ДВИГАТЕЛЯ
3
7B
7A
34
38
37
10
11
12
35
36
8
7
15
13
14
1
6
5
2
28
29
16
17
19
4
18
19
24
23
26
23
25
32
33
30
31
9
22
21
20
27
FIT
1:1
100%

Артикул

Название

Примечание

Количество

1

23B-02-36111

MUFFLER ASS'Y

SN: B15001-UP

1шт.

2

6151-11-5770

BAND ASS'Y

SN: B15001-UP

1шт.

3

6643-11-4641

BOLT

SN: B15001-UP

1шт.

4

01435-01030

BOLT

SN: B15001-UP

2шт.

5

01580-11008

NUT

SN: B15001-UP

2шт.

6

01643-31032

WASHER

SN: B15001-UP

2шт.

7

01643-31232

WASHER

SN: B15001-UP

2шт.

7A

23B-02-36140

PLATE

SN: B15001-UP

1шт.

7B

01435-00814

BOLT

SN: B15001-UP

6шт.

8

23B-02-33230

PLATE

SN: B15001-UP

1шт.

9

01435-01025

BOLT

SN: B15001-UP

2шт.

10

23B-02-33130

BRACKET

SN: B15001-UP

1шт.

11

01435-01030

BOLT

SN: B15001-UP

2шт.

12

01643-31232

WASHER

SN: B15001-UP

2шт.

13

23B-02-38211

TUBE

SN: B15001-UP

1шт.

14

01010-81230

BOLT

SN: B15001-UP

1шт.

15

01643-31232

WASHER

SN: B15001-UP

1шт.

16

07260-20971

HOSE

SN: B15001-UP

1шт.

17

07285-00155

CLAMP

SN: B15001-UP

1шт.

18

415-62-13710

PROTECTOR

SN: B15001-UP

1шт.

19

08034-20536

BAND

SN: B15001-UP

3шт.

20

23B-02-36121

EXHAUST PIPE

SN: B15001-UP

1шт.

21

124-54-26540

WASHER

SN: B15001-UP

4шт.

22

01435-01225

BOLT

SN: B15001-UP

4шт.

23

23B-02-33160

PLATE

SN: B15001-UP

2шт.

24

23B-02-36220

PLATE

SN: B15001-UP

1шт.

25

01010-81240

BOLT

SN: B15001-UP

4шт.

26

01643-31232

WASHER

SN: B15001-UP

4шт.

27

23B-03-34881

BRACKET

SN: B15001-UP

1шт.

28

01010-E1025

BOLT

SN: B15001-UP

3шт.

29

01643-31032

WASHER

SN: B15001-UP

3шт.

30

23B-02-34410

COVER

SN: B15001-UP

1шт.

31

6150-81-6920

SPACER

SN: B15001-UP

2шт.

32

01010-81060

BOLT

SN: B15001-UP

2шт.

33

01643-31032

WASHER

SN: B15001-UP

2шт.

34

23B-02-34421

COVER

SN: B15001-UP

1шт.

35

01010-81025

BOLT

SN: B15001-UP

2шт.

36

01643-31032

WASHER

SN: B15001-UP

2шт.

37

01010-80812

BOLT

SN: B15001-UP

4шт.

38

01643-50823

WASHER

SN: B15001-UP

4шт.

Выбрано товаров: 40