Запчасти Komatsu GD655-3C KOMTRAX (Э/ПРОВОДКА) (№B7-) КАБИНА ОПЕРАТОРА И СИСТЕМА УПРАВЛЕНИЯ

Схема запчастей Komatsu GD655-3C - KOMTRAX (Э/ПРОВОДКА) (№B7-) КАБИНА ОПЕРАТОРА И СИСТЕМА УПРАВЛЕНИЯ
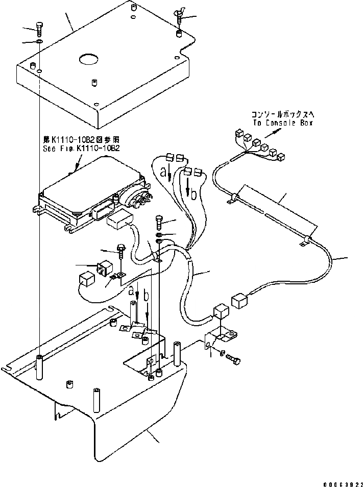
9
1
4
3
2
7
6
15
8
5
13
12
11
14
10
FIT
1:1
100%

Артикул

Название

Примечание

Количество

1

23B-06-46710

WIRING HARNESS

SN: B15070-UP

1шт.

2

04434-51408

CLIP

SN: B15070-UP

1шт.

3

01010-80816

BOLT

SN: B15070-UP

1шт.

4

01643-30823

WASHER

SN: B15070-UP

1шт.

5

569-06-61960

RELAY

SN: B15070-UP

1шт.

6

287-06-16420

BRACKET

SN: B15070-UP

1шт.

7

01435-00608

BOLT

SN: B15070-UP

1шт.

8

23B-06-46720

WIRING HARNESS

SN: B15070-UP

1шт.

9

04434-51412

CLIP

SN: B15070-UP

2шт.

10

23B-06-46740

PLATE

SN: B15070-UP

1шт.

11

23B-06-46730

COVER

SN: B15070-UP

1шт.

12

01010-80820

BOLT

SN: B15070-UP

4шт.

13

01643-30823

WASHER

SN: B15070-UP

4шт.

14

01434-10616

BOLT, WING

SN: B15070-UP

4шт.

15

23B-06-46750

BRACKET

SN: B15070-UP

1шт.

Выбрано товаров: 15