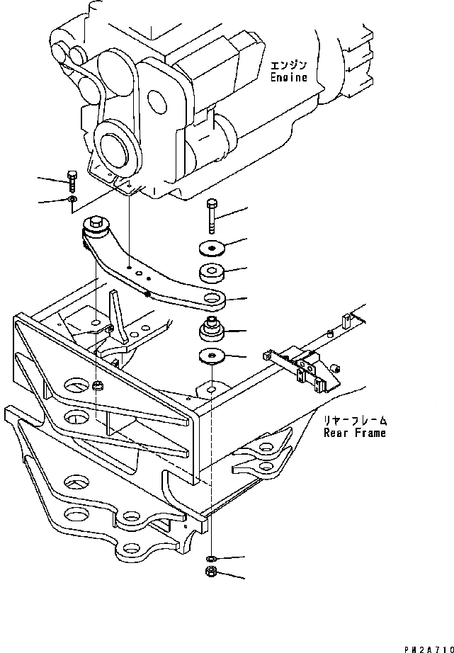
Запчасти Komatsu GD655-3C КРЕПЛЕНИЕ ДВИГАТЕЛЯ КОМПОНЕНТЫ ДВИГАТЕЛЯ

Схема запчастей Komatsu GD655-3C - КРЕПЛЕНИЕ ДВИГАТЕЛЯ КОМПОНЕНТЫ ДВИГАТЕЛЯ
9
8
1
5
6
7
4
6
3
2
FIT
1:1
100%

Артикул

Название

Примечание

Количество

1

23B-01-33111

BRACKET

SN: B15001-UP

1шт.

2

01010-81235

BOLT

SN: B15001-UP

2шт.

3

01643-31232

WASHER

SN: B15001-UP

2шт.

|4

418-01-11112

CUSHION ASS'Y

SN: B15001-UP

2шт.

4

418-01-11121

CUSHION

SN: B15001-UP

1шт.

5

418-01-11131

CUSHION

SN: B15001-UP

1шт.

6

419-01-11162

WASHER

SN: B15001-UP

4шт.

7

01011-82220

BOLT

SN: B15001-UP

2шт.

8

01580-12218

NUT

SN: B15001-UP

2шт.

9

01643-32260

WASHER

SN: B15001-UP

2шт.

Выбрано товаров: 10