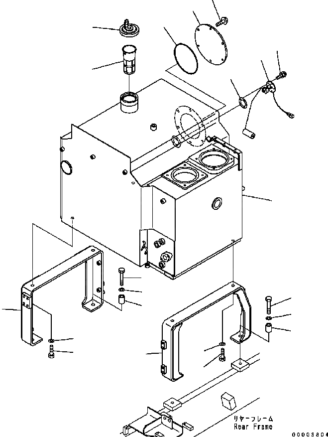
Запчасти Komatsu GD655-3C ТОПЛИВН. ГИДР. БАК. AND ЭЛЕМЕНТЫ КРЕПЛЕНИЯ (№B-) ТОПЛИВН. БАК. AND КОМПОНЕНТЫ

Схема запчастей Komatsu GD655-3C - ТОПЛИВН. ГИДР. БАК. AND ЭЛЕМЕНТЫ КРЕПЛЕНИЯ (№B-) ТОПЛИВН. БАК. AND КОМПОНЕНТЫ
1
11
12
13
13
12
11
10
3
2
9
3
2
16
14
15
7
5
6
8
4
FIT
1:1
100%

Артикул

Название

Примечание

Количество

1

23B-04-31511

TANK {FUEL}

SN: B15001-B15143

1шт.

2

01010-81640

BOLT

SN: B15001-B15143

4шт.

3

01643-31645

WASHER

SN: B15001-B15143

4шт.

4

238-04-12130

STRAINER

SN: B15001-@

1шт.

5

428-04-11120

COVER

SN: B15001-@

1шт.

6

07000-15200

O-RING

SN: B15001-@

1шт.

7

01435-01020

BOLT

SN: B15001-@

6шт.

8

134-04-71180

CAP

SN: B15018-@

1шт.

|8

0

CAP

SN: B15001-B15017

1шт.

9

23B-04-31322

BRACKET {L.H.}

SN: B15001-B15143

1шт.

10

23B-04-31333

BRACKET {R.H.}

SN: B15001-B15143

1шт.

11

01010-81685

BOLT

SN: B15001-@

4шт.

12

01643-31645

WASHER

SN: B15001-@

4шт.

13

238-04-11140

SPACER

SN: B15001-B15143

4шт.

14

23B-06-42650

SENSOR {FUEL}

SN: B15001-@

1шт.

15

237-06-15190

PACKING

SN: B15001-@

1шт.

16

01023-10412

SCREW

SN: B15001-@

5шт.

Выбрано товаров: 17