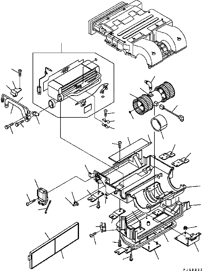
Запчасти Komatsu GD655-3C БЛОК КОНДИЦИОНЕРА (/) ОСНОВН. КОМПОНЕНТЫ И РЕМКОМПЛЕКТЫ

Схема запчастей Komatsu GD655-3C - БЛОК КОНДИЦИОНЕРА (/) ОСНОВН. КОМПОНЕНТЫ И РЕМКОМПЛЕКТЫ
3
37
5
16
20
15
14
17
18
10
22
8
9
6
19
11
7
12
41
28
13
33
21
40
34
26
1
34
29
27
30
2
38
25
35
31
44
32
23
4
36
39
24
42
36
43
FIT
1:1
100%

Артикул

Название

Примечание

Количество

|1

23B-809-3300

AIR CONDITIONER UNIT

SN: B15001-UP

1шт.

|1

21W-979-4110

AIR CONDITIONER UNIT

SN: B15001-UP

1шт.

1

TW534136-9321

CASE ASS'Y

SN: B15001-UP

1шт.

2

TW534461-8902

COVER

SN: B15001-UP

1шт.

3

TW534241-3200

FILTER

SN: B15001-UP

1шт.

4

TW534189-9400

LINING

SN: B15001-UP

2шт.

5

TW503700-3990

EVAPORATOR ASS'Y

SN: B15001-UP

1шт.

6

TW580534-1500

CLIP

SN: B15001-UP

1шт.

7

TW580534-1600

CLIP

SN: B15001-UP

1шт.

8

TW012114-1240

SCREW

SN: B15001-UP

1шт.

9

TW534057-3520

PIPE

SN: B15001-UP

1шт.

|10

TW534057-3720

PIPE ASS'Y

SN: B15001-UP

1шт.

10

TW534057-3620

PIPE

SN: B15001-UP

1шт.

11

TW582532-0700

PRESSURE SWITCH

SN: B15001-UP

1шт.

12

TW020058-3040

BOLT

SN: B15001-UP

1шт.

13

TW020046-3040

BOLT

SN: B15001-UP

1шт.

14

TW580534-1900

CLIP

SN: B15001-UP

1шт.

15

TW580534-2000

CLIP

SN: B15001-UP

1шт.

16

TW592022-3700

SCREW

SN: B15001-UP

2шт.

|17

TW502725-1730

FAN MOTOR

SN: B15001-UP

1шт.

17

0

MOTOR

SN: B15001-UP

1шт.

18

0

IMPELLER

SN: B15001-UP

2шт.

19

TW592050-0500

RING {SNAP}

SN: B15001-UP

2шт.

20

TW534510-5200

HOSE

SN: B15001-UP

1шт.

21

TW592405-1700

ISOLATOR

SN: B15001-UP

1шт.

22

TW536021-5200

WIRING HARNESS

SN: B15001-UP

1шт.

23

TW582571-4300

RESISTOR

SN: B15001-UP

1шт.

24

TW012514-1640

TAPPING SCREW

SN: B15001-UP

2шт.

25

TW523100-0700

PLATE

SN: B15001-UP

1шт.

26

TW502752-3250

MOTOR ACTUATOR

SN: B15001-UP

1шт.

27

TW580140-0300

TAPPING SCREW

SN: B15001-UP

3шт.

28

TW534270-7920

DOOR

SN: B15001-UP

1шт.

29

TW534470-9200

LEVER

SN: B15001-UP

1шт.

30

TW592055-0900

CLIP

SN: B15001-UP

1шт.

31

TW536160-2100

ROD

SN: B15001-UP

1шт.

32

TW534104-4300

BRACKET

SN: B15001-UP

1шт.

33

TW534104-4400

BRACKET

SN: B15001-UP

1шт.

34

TW534104-5000

BRACKET

SN: B15001-UP

2шт.

35

TW592022-3700

SCREW

SN: B15001-UP

20шт.

36

TW012514-1640

TAPPING SCREW

SN: B15001-UP

21шт.

37

TW580521-7700

CLIP

SN: B15001-UP

3шт.

38

TW592024-1800

CLIP

SN: B15001-UP

1шт.

39

TW534190-0300

LINING

SN: B15001-UP

1шт.

40

TW012153-0640

SCREW

SN: B15001-UP

6шт.

41

TW534280-1500

SHAFT

SN: B15001-UP

1шт.

42

TW534104-7300

BRACKET

SN: B15001-UP

1шт.

43

TW534104-7500

BRACKET

SN: B15001-UP

1шт.

44

TW029200-6240

NUT

SN: B15001-UP

4шт.

Выбрано товаров: 0