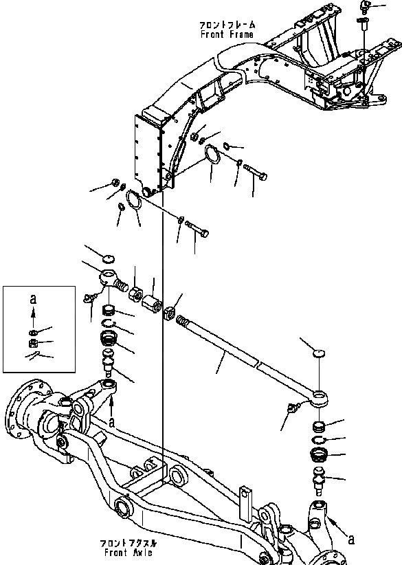
Запчасти Komatsu GD655-3C ПЕРЕДНИЙ МОСТ (ПОПЕРЕЧНАЯ РУЛЕВ. ТЯГА) ТРАНСМИССИЯ

Схема запчастей Komatsu GD655-3C - ПЕРЕДНИЙ МОСТ (ПОПЕРЕЧНАЯ РУЛЕВ. ТЯГА) ТРАНСМИССИЯ
9B
9A
9C
9
8
7
6
10
5
3
4
14
16
13
11
9D
1
16
15
13
16
14
11
16
15
2
10
9
8
7
6
9D
12
FIT
1:1
100%

Артикул

Название

Примечание

Количество

1

23B-27-11441

ROD

SN: B15001-UP

1шт.

2

23B-27-31410

ROD {TIE}

SN: B15001-UP

1шт.

3

23B-27-11460

JOINT

SN: B15001-UP

1шт.

4

23B-27-11450

NUT

SN: B15001-UP

1шт.

5

01583-13923

NUT

SN: B15001-UP

1шт.

6

23B-27-11800

BUSHING ASS'Y

SN: B15001-UP

2шт.

|6

23B-27-11810

RACE

SN: B15001-UP

1шт.

|6

23B-27-11820

SPRING

SN: B15001-UP

1шт.

7

23B-27-31570

RING

SN: B15001-UP

2шт.

8

23B-27-31840

BOOT

SN: B15001-UP

2шт.

|8

23B-27-11910

RING {SNAP}

SN: B15001-UP

1шт.

|8

23B-27-11920

RING {SNAP}

SN: B15001-UP

1шт.

9

23B-27-31590

STUD {BALL}

SN: B15001-UP

2шт.

9A

01592-32427

NUT

SN: B15001-UP

2шт.

9B

23B-27-31550

WASHER

SN: B15001-UP

2шт.

9C

04050-15045

PIN

SN: B15001-UP

2шт.

9D

23B-27-11360

PLUG

SN: B15001-UP

2шт.

10

07020-00900

FITTING {GREASE}

SN: B15001-UP

2шт.

11

23B-46-11220

WASHER

SN: B15001-UP

2шт.

12

07020-00675

FITTING {GREASE}

SN: B15001-UP

1шт.

13

23B-46-31810

O-RING

SN: B15001-UP

2шт.

14

419-70-11490

BOLT

SN: B15001-UP

2шт.

15

01596-00606

NUT

SN: B15001-UP

2шт.

16

01640-20610

WASHER

SN: B15001-UP

4шт.

Выбрано товаров: 24