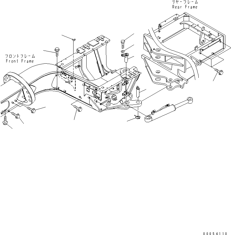
Запчасти Komatsu GD655-3E0 ПЕРЕДН. РАМА (/) РАМА И КОМПОНЕНТЫ

Схема запчастей Komatsu GD655-3E0 - ПЕРЕДН. РАМА (/) РАМА И КОМПОНЕНТЫ
1
2
3
4
5
6
7
7
8
8
8
9
FIT
1:1
100%

Артикул

Название

Примечание

Количество

1

23B-46-31361

PIN

SN: 51501-UP

2шт.

2

01010-81220

BOLT

SN: 51501-UP

2шт.

3

175-54-34170

WASHER

SN: 51501-UP

2шт.

4

23C-46-52371

PIN

SN: 51899-UP

1шт.

4

23C-46-52370

PIN

SN: 51501-51898

1шт.

5

569-74-61470

PIN

SN: 51501-UP

1шт.

6

23B-60-35841

SEAL

SN: 51501-UP

1шт.

7

01435-01014

BOLT

SN: 51501-UP

4шт.

8

01435-01014

BOLT

SN: 51501-UP

8шт.

9

01435-01014

BOLT

SN: 51501-UP

4шт.

Выбрано товаров: 10