Запчасти Komatsu GD655-3E0 FLR (ПЛАВАЮЩ ЭЛЕКТР.) КАБИНА ОПЕРАТОРА И СИСТЕМА УПРАВЛЕНИЯ

Схема запчастей Komatsu GD655-3E0 - FLR (ПЛАВАЮЩ ЭЛЕКТР.) КАБИНА ОПЕРАТОРА И СИСТЕМА УПРАВЛЕНИЯ
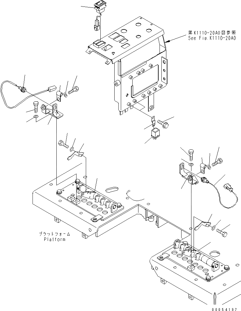
1
1
2
3
4
5
5
6
6
7
7
8
8
9
10
11
12
13
14
15
16
17
17
18
18
19
FIT
1:1
100%

Артикул

Название

Примечание

Количество

1

23B-06-61650

SENSOR

SN: 51501-UP

2шт.

2

569-06-61960

RELAY

SN: 51501-UP

2шт.

3

287-06-16420

BRACKET

SN: 51501-UP

2шт.

4

01435-00608

BOLT

SN: 51501-UP

2шт.

5

04434-51010

CLIP

SN: 51501-UP

2шт.

6

01010-81020

BOLT

SN: 51501-UP

2шт.

7

01643-31032

WASHER

SN: 51501-UP

2шт.

8

23B-43-35760

LEVER

SN: 51501-UP

2шт.

9

23B-43-61310

BRACKET

SN: 51501-UP

1шт.

10

23B-43-61320

BRACKET

SN: 51501-UP

1шт.

11

23B-43-35770

PLATE

SN: 51501-UP

1шт.

12

01010-80610

BOLT

SN: 51501-UP

2шт.

13

01643-30623

WASHER

SN: 51501-UP

2шт.

14

23B-43-35770

PLATE

SN: 51501-UP

1шт.

15

01010-80610

BOLT

SN: 51501-UP

2шт.

16

01643-30623

WASHER

SN: 51501-UP

2шт.

17

01010-81020

BOLT

SN: 51501-UP

2шт.

18

01643-31032

WASHER

SN: 51501-UP

2шт.

19

23B-06-42640

SWITCH

SN: 51501-UP

1шт.

Выбрано товаров: 19