Запчасти Komatsu SAA6D114E-3AA-W ГЛУШИТЕЛЬ(№87-) ДВИГАТЕЛЬ

Схема запчастей Komatsu SAA6D114E-3AA-W - ГЛУШИТЕЛЬ(№87-) ДВИГАТЕЛЬ
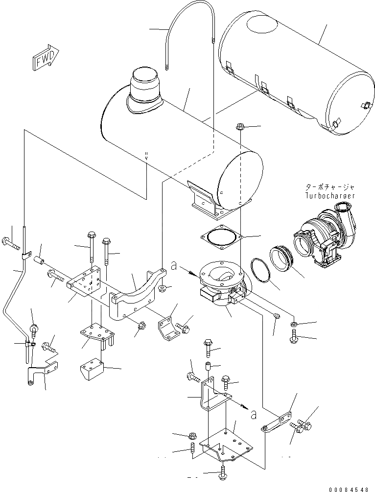
1
2
3
4
5
6
7
8
9
10
11
12
13
14
15
16
17
18
19
20
20
20
20
21
22
23
24
25
25
26
27
28
29
30
31
32
33
34
35
36
37
1
2
3
4
5
6
7
8
9
10
11
12
13
14
15
16
17
18
19
20
20
20
20
21
22
23
24
25
25
26
27
28
29
30
31
32
33
34
35
36
37
FIT
1:1
100%

Артикул

Название

Примечание

Количество

1

01435-01245

BOLT

SN: 26854327-UP

4шт.

2

01584-01210

NUT

SN: 26854327-UP

4шт.

3

07042-20108

PLUG

SN: 26854327-UP

1шт.

4

6127-11-5180

SPACER

SN: 26854327-UP

4шт.

5

6164-11-5480

SEAL

SN: 26854327-UP

1шт.

6

6211-11-5490

GASKET

SN: 26854327-UP

1шт.

7

6745-11-5260

MUFFLER

SN: 26854327-UP

1шт.

8

6745-11-5330

ELBOW

SN: 26854327-UP

1шт.

9

6745-11-5230

TUBE

SN: 26854327-UP

1шт.

10

6745-11-6160

COVER

SN: 26854327-UP

1шт.

11

01435-00820

BOLT

SN: 26854327-UP

2шт.

12

01435-01020

BOLT

SN: 26854327-UP

1шт.

13

01435-01065

BOLT

SN: 26854327-UP

1шт.

14

6151-53-8280

CLIP

SN: 26854327-UP

1шт.

15

6745-11-5560

BRACKET

SN: 26854327-UP

1шт.

16

6745-11-5550

TUBE

SN: 26854327-UP

1шт.

17

01144-31025

STUD

SN: 26854327-UP

2шт.

18

01435-00890

BOLT

SN: 26854327-UP

4шт.

19

01435-01020

BOLT

SN: 26854327-UP

1шт.

20

01435-01025

BOLT

SN: 26854327-UP

6шт.

21

01435-01030

BOLT

SN: 26854327-UP

4шт.

22

01435-01045

BOLT

SN: 26854327-UP

3шт.

23

01435-01055

BOLT

SN: 26854327-UP

1шт.

24

01436-01035

BOLT

SN: 26854327-UP

2шт.

25

01594-01008

NUT

SN: 26854327-UP

4шт.

26

01584-01008

NUT

SN: 26854327-UP

3шт.

27

205-54-51420

COLLAR

SN: 26854327-UP

1шт.

28

6206-11-4490

SPACER

SN: 26854327-UP

1шт.

29

6222-11-5940

U-BOLT

SN: 26854327-UP

1шт.

30

6745-11-5630

BRACKET

SN: 26854327-UP

1шт.

31

6745-11-5640

PLATE

SN: 26854327-UP

1шт.

32

6745-11-5650

BRACKET

SN: 26854327-UP

1шт.

33

6745-11-5660

BRACKET

SN: 26854327-UP

1шт.

34

6745-11-5670

BLOCK

SN: 26854327-UP

1шт.

35

6745-11-5370

PLATE

SN: 26854327-UP

1шт.

36

6745-11-5340

PLATE

SN: 26854327-UP

1шт.

37

6745-11-5360

BRACKET

SN: 26854327-UP

1шт.

1

01435-01245

BOLT

SN: 26854327-UP

4шт.

2

01584-01210

NUT

SN: 26854327-UP

4шт.

3

07042-20108

PLUG

SN: 26854327-UP

1шт.

4

6127-11-5180

SPACER

SN: 26854327-UP

4шт.

5

6164-11-5480

SEAL

SN: 26854327-UP

1шт.

6

6211-11-5490

GASKET

SN: 26854327-UP

1шт.

7

6745-11-5260

MUFFLER

SN: 26854327-UP

1шт.

8

6745-11-5330

ELBOW

SN: 26854327-UP

1шт.

9

6745-11-5230

TUBE

SN: 26854327-UP

1шт.

10

6745-11-6160

COVER

SN: 26854327-UP

1шт.

11

01435-00820

BOLT

SN: 26854327-UP

2шт.

12

01435-01020

BOLT

SN: 26854327-UP

1шт.

13

01435-01065

BOLT

SN: 26854327-UP

1шт.

14

6151-53-8280

CLIP

SN: 26854327-UP

1шт.

15

6745-11-5560

BRACKET

SN: 26854327-UP

1шт.

16

6745-11-5550

TUBE

SN: 26854327-UP

1шт.

17

01144-31025

STUD

SN: 26854327-UP

2шт.

18

01435-00890

BOLT

SN: 26854327-UP

4шт.

19

01435-01020

BOLT

SN: 26854327-UP

1шт.

20

01435-01025

BOLT

SN: 26854327-UP

6шт.

21

01435-01030

BOLT

SN: 26854327-UP

4шт.

22

01435-01045

BOLT

SN: 26854327-UP

3шт.

23

01435-01055

BOLT

SN: 26854327-UP

1шт.

24

01436-01035

BOLT

SN: 26854327-UP

2шт.

25

01594-01008

NUT

SN: 26854327-UP

4шт.

26

01584-01008

NUT

SN: 26854327-UP

3шт.

27

205-54-51420

COLLAR

SN: 26854327-UP

1шт.

28

6206-11-4490

SPACER

SN: 26854327-UP

1шт.

29

6222-11-5940

U-BOLT

SN: 26854327-UP

1шт.

30

6745-11-5630

BRACKET

SN: 26854327-UP

1шт.

31

6745-11-5640

PLATE

SN: 26854327-UP

1шт.

32

6745-11-5650

BRACKET

SN: 26854327-UP

1шт.

33

6745-11-5660

BRACKET

SN: 26854327-UP

1шт.

34

6745-11-5670

BLOCK

SN: 26854327-UP

1шт.

35

6745-11-5370

PLATE

SN: 26854327-UP

1шт.

36

6745-11-5340

PLATE

SN: 26854327-UP

1шт.

37

6745-11-5360

BRACKET

SN: 26854327-UP

1шт.

Выбрано товаров: 74