Запчасти Komatsu GD655-3Y ПОЛ Э/ПРОВОДКА И Э/ПРОВОДКА ТРАНСМИССИИ КАБИНА ОПЕРАТОРА И СИСТЕМА УПРАВЛЕНИЯ

Схема запчастей Komatsu GD655-3Y - ПОЛ Э/ПРОВОДКА И Э/ПРОВОДКА ТРАНСМИССИИ КАБИНА ОПЕРАТОРА И СИСТЕМА УПРАВЛЕНИЯ
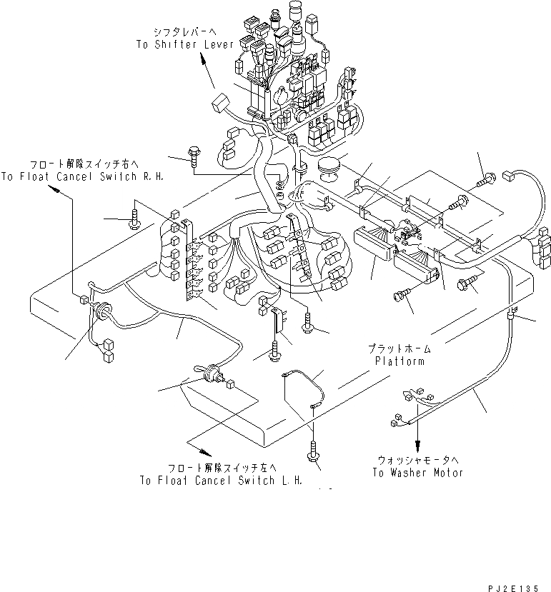
1
2
2
3
4
5
6
7
7
7
7
8
9
9
9
9
10
11
12
13
14
15
16
17
18
18
19
20
24
FIT
1:1
100%

Артикул

Название

Примечание

Количество

1

23B-06-45381

WIRING HARNESS,R.H. BOX

SN: 4001-UP

1шт.

|1

21J-06-13661

DIODE

SN: 4001-UP

3шт.

2

23B-06-45342

WIRING HARNESS,FLOOR

SN: 4001-UP

1шт.

|2

21J-06-13661

DIODE

SN: 4001-UP

1шт.

3

08044-01500

BOX,FUSE

SN: 4001-UP

1шт.

|3

08041-01000

FUSE¤ 10A

SN: 4001-UP

6шт.

|3

08041-02000

FUSE¤ 20A

SN: 4001-UP

13шт.

4

23B-06-44331

BRACKET

SN: 4001-UP

1шт.

5

23B-06-44411

BRACKET

SN: 4001-UP

1шт.

6

23B-06-44431

BRACKET

SN: 4001-UP

1шт.

7

01435-01016

BOLT

SN: 4001-UP

9шт.

8

04434-51412

CLIP

SN: 4001-UP

1шт.

9

04434-51010

CLIP

SN: 4001-UP

5шт.

10

09415-05016

CAP

SN: 4001-UP

1шт.

11

01435-01016

BOLT

SN: 4001-UP

2шт.

12

04434-51810

CLIP

SN: 4001-UP

1шт.

13

04434-52210

CLIP

SN: 4001-UP

1шт.

14

23D-06-31370

CABLE,EARTH

SN: 4001-UP

1шт.

15

01435-01016

BOLT

SN: 4001-UP

2шт.

16

01435-01016

BOLT

SN: 4001-UP

1шт.

17

01023-10620

SCREW

SN: 4001-UP

4шт.

18

23B-06-31180

GROMMET

SN: 4001-UP

2шт.

19

23B-06-41520

BRACKET

SN: 4001-UP

1шт.

20

01435-01016

BOLT

SN: 4001-UP

1шт.

24

23B-06-41717

WIRING HARNESS,TRANSMISSION

SN: 4001-UP

1шт.

Выбрано товаров: 25