Запчасти Komatsu GD655-3Y ПЕРЕДНИЙ МОСТ (ПОПЕРЕЧНАЯ РУЛЕВ. ТЯГА) ТРАНСМИССИЯ

Схема запчастей Komatsu GD655-3Y - ПЕРЕДНИЙ МОСТ (ПОПЕРЕЧНАЯ РУЛЕВ. ТЯГА) ТРАНСМИССИЯ
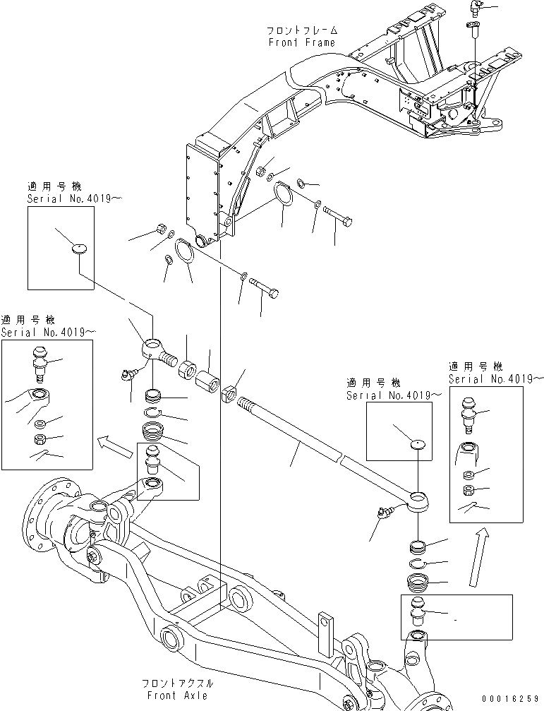
1
2
3
4
5
6
6
7
7
8
8
9
9
9
9
9A
9A
9B
9B
9C
9C
9D
9D
10
10
11
11
12
14
14
15
15
16
16
17
17
17
17
FIT
1:1
100%

Артикул

Название

Примечание

Количество

1

23B-27-11441

ROD

SN: 4001-UP

1шт.

2

23B-27-31410

ROD,TIE

SN: 4001-UP

1шт.

3

23B-27-11460

JOINT

SN: 4001-UP

1шт.

4

23B-27-11450

NUT

SN: 4001-UP

1шт.

5

01583-13923

NUT

SN: 4001-UP

1шт.

6

23B-27-11800

BUSHING ASS'Y

SN: 4001-UP

2шт.

|6

23B-27-11810

RACE

SN: 4001-UP

1шт.

|6

23B-27-11820

SPRING

SN: 4001-UP

1шт.

7

23B-27-31570

RING

SN: 4001-UP

2шт.

8

23B-27-31840

BOOT

SN: 4001-UP

2шт.

|8

23B-27-11910

RING,SNAP

SN: 4001-UP

1шт.

|8

23B-27-11920

RING,SNAP

SN: 4001-UP

1шт.

9

23B-27-31590

STUD,BALL (KIT)

SN: 4019-UP

2шт.

|9

23B-27-11553

STUD,BALL

SN: 4001-4018

2шт.

9A

01592-32427

NUT (KIT)

SN: 4019-UP

2шт.

9B

23B-27-31550

WASHER (KIT)

SN: 4019-UP

2шт.

9C

04050-15045

PIN (KIT)

SN: 4019-UP

2шт.

9D

23B-27-11360

PLUG (KIT)

SN: 4019-UP

2шт.

10

07020-00900

FITTING,GREASE

SN: 4001-UP

2шт.

11

23B-46-11220

WASHER

SN: 4001-UP

2шт.

12

07020-00675

FITTING,GREASE

SN: 4001-UP

1шт.

14

23B-46-31810

O-RING

SN: .-UP

2шт.

15

419-70-11490

BOLT

SN: .-UP

2шт.

16

01596-00606

NUT

SN: .-UP

2шт.

17

01640-20610

WASHER

SN: .-UP

4шт.

|$$26

SERVICE KIT

-1шт.

K

23B-27-31690

SERVICE KIT

SN: 4019-UP

1шт.

Выбрано товаров: 0