Запчасти Komatsu GD655-5 ТРАНСМИССИЯ, АКСЕССУАРЫ (№-) ТРАНСМИССИЯ

Схема запчастей Komatsu GD655-5 - ТРАНСМИССИЯ, АКСЕССУАРЫ (№-) ТРАНСМИССИЯ
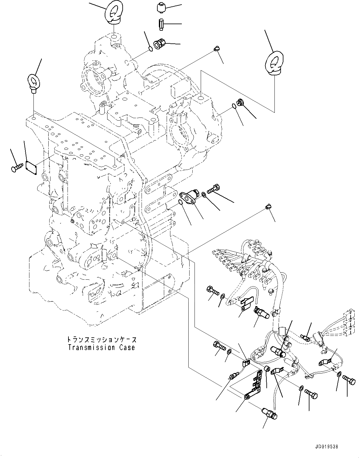
5
4
3
2
1
6
12
11
9
10
13
14
16
15
17
17
18
7
7
8
8
21
22
23
19
23
22
24
26
27
25
21
7
20
22
23
FIT
1:1
100%

Артикул

Название

Примечание

Количество

|$0

23B-13-70000

Transmission Assembly

SN: 55001-UP

1шт.

1

6693-22-5600

Valve Assembly

SN: 55001-UP

1шт.

2

07000-73028

O-ring, (Kit : K01)

SN: 55001-UP

1шт.

3

01010-81030

Bolt

SN: 55001-UP

2шт.

4

01643-31032

Washer

SN: 55001-UP

2шт.

5

09608-05080

Plate, Name (Limited Supply)

SN: 55001-UP

1шт.

6

04418-13060

Screw

SN: 55001-UP

4шт.

7

7861-93-2330

Sensor, Magnetic Pick-Up

SN: 55001-UP

3шт.

8

7861-93-3320

Sensor, Temperature

SN: 55001-UP

2шт.

9

714-23-18280

Elbow

SN: 55001-UP

1шт.

10

07002-62434

O-ring, (Kit : K01)

SN: 55001-UP

1шт.

11

170-21-11190

Elbow

SN: 55001-UP

1шт.

12

07030-00252

Breather

SN: 55001-UP

1шт.

13

720-2M-15270

Plug

SN: 55001-UP

1шт.

14

07002-62434

O-ring, (Kit : K01)

SN: 55001-UP

1шт.

15

07049-01215

Plug

SN: 55001-UP

5шт.

16

07049-01012

Plug

SN: 55001-UP

2шт.

17

04530-13045

Bolt, Eye

SN: 55001-UP

2шт.

18

04530-12030

Bolt, Eye

SN: 55001-UP

2шт.

19

23B-06-71870

Bracket

SN: 55001-UP

1шт.

20

23B-06-71710

Bracket

SN: 55001-UP

1шт.

21

08193-21012

Clip

SN: 55001-UP

2шт.

22

01010-81020

Bolt

SN: 55001-UP

4шт.

23

01643-31032

Washer

SN: 55001-UP

4шт.

24

01010-81035

Bolt

SN: 55001-UP

1шт.

25

01643-31032

Washer

SN: 55001-UP

1шт.

26

600-051-2050

Clip

SN: 55001-UP

1шт.

27

201-03-29160

Spacer

SN: 55001-UP

1шт.

Выбрано товаров: 28