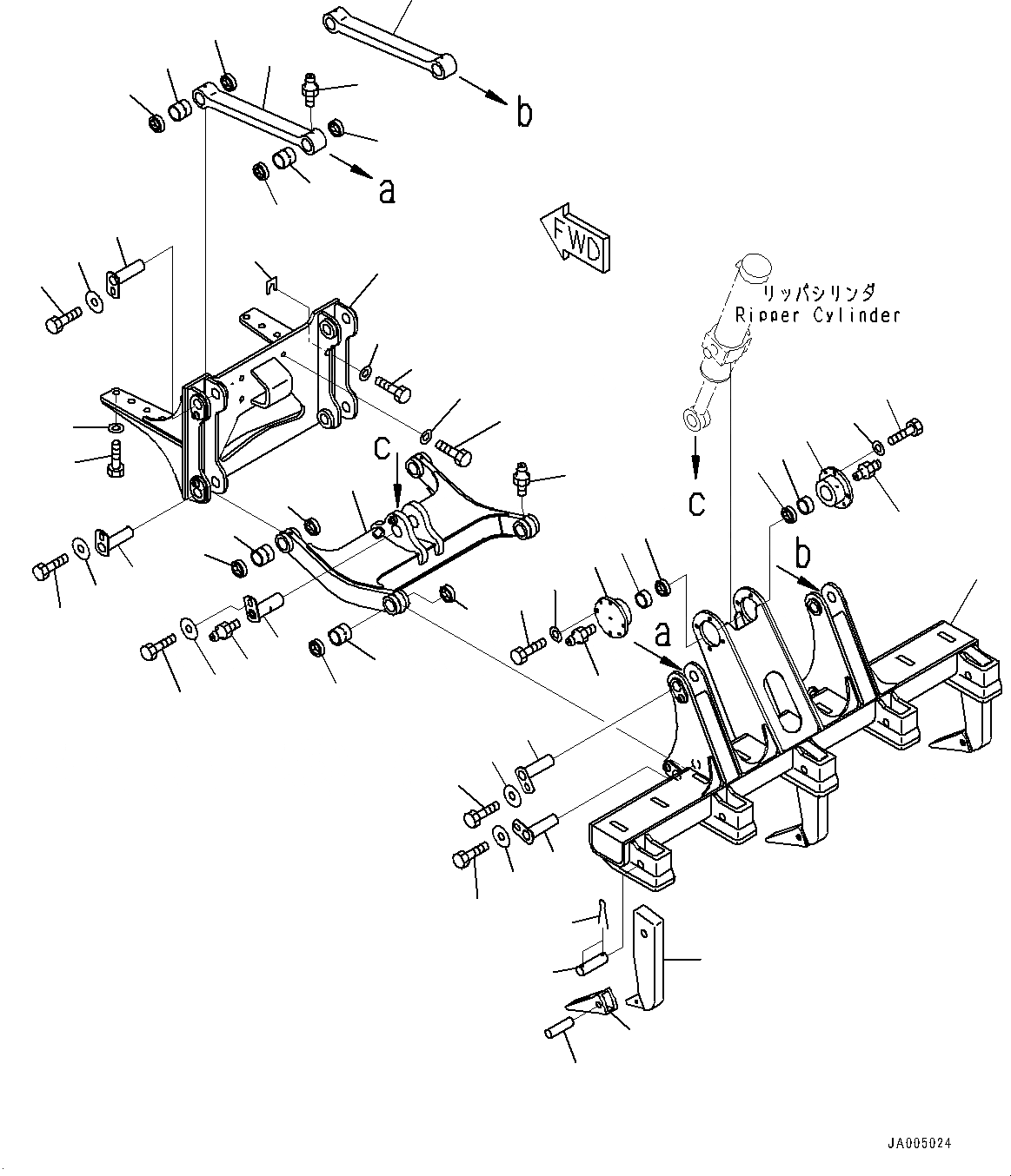
Запчасти Komatsu GD655-5 РЫХЛИТЕЛЬ, ЭЛЕМЕНТЫ КРЕПЛЕНИЯ (№-) РЫХЛИТЕЛЬ

Схема запчастей Komatsu GD655-5 - РЫХЛИТЕЛЬ, ЭЛЕМЕНТЫ КРЕПЛЕНИЯ (№-) РЫХЛИТЕЛЬ
20
19
28
20
19
4
23
10
11
7
9
8
12
17
16
32
31
30
24
25
26
27
24
25
19
20
4
18
28
23
22
12
21
4
11
10
9
8
7
5
6
4
3
2
1
14
13
14
14
19
13
15
14
20
15
23
22
23
29
FIT
1:1
100%

Артикул

Название

Примечание

Количество

1

23B-785-3111

Bracket

SN: 55001-UP

1шт.

2

23B-785-3122

Link

SN: 55001-UP

1шт.

3

417-70-11970

Pin

SN: 55001-UP

1шт.

4

07020-00000

Fitting, Grease

SN: 55001-UP

7шт.

5

175-54-34170

Washer

SN: 55001-UP

5шт.

6

01010-81225

Bolt

SN: 55001-UP

5шт.

7

23B-785-3231

Support

SN: 55001-UP

2шт.

8

07144-10603

Bushing

SN: 55001-UP

2шт.

9

416-09-11120

Seal, Dust

SN: 55001-UP

2шт.

10

01010-81240

Bolt

SN: 55001-UP

8шт.

11

01643-31232

Washer

SN: 55001-UP

8шт.

12

23B-785-3351

Rod

SN: 55001-UP

2шт.

13

416-70-11810

Bushing

SN: 55001-UP

4шт.

14

416-09-11140

Seal, Dust

SN: 55001-UP

8шт.

15

23B-785-3150

Pin

SN: 55001-UP

4шт.

16

232-785-1310

Pin

SN: 55001-UP

3шт.

17

04050-10070

Pin, Cotter

SN: 55001-UP

6шт.

18

07020-00000

Fitting, Grease

SN: 55001-UP

4шт.

19

175-54-34170

Washer

SN: 55001-UP

4шт.

20

01010-81225

Bolt

SN: 55001-UP

4шт.

21

23B-785-7110

Bracket

SN: 55001-UP

1шт.

22

416-70-11810

Bushing

SN: 55001-UP

4шт.

23

416-09-11140

Seal, Dust

SN: 55001-UP

8шт.

24

01643-32460

Washer

SN: 55001-UP

14шт.

25

01010-82455

Bolt

SN: 55001-UP

14шт.

26

01643-32060

Washer

SN: 55001-UP

4шт.

27

01010-82060

Bolt

SN: 55001-UP

4шт.

28

23B-785-3141

Pin

SN: 55001-UP

4шт.

29

23B-785-7170

Shim, T=0.5mm

SN: 55001-UP

4шт.

30

232-785-1291

Shank

SN: 55001-UP

3шт.

31

234-785-1121

Point

SN: 55001-UP

3шт.

32

113-78-21170

Pin

SN: 55001-UP

3шт.

Выбрано товаров: 32