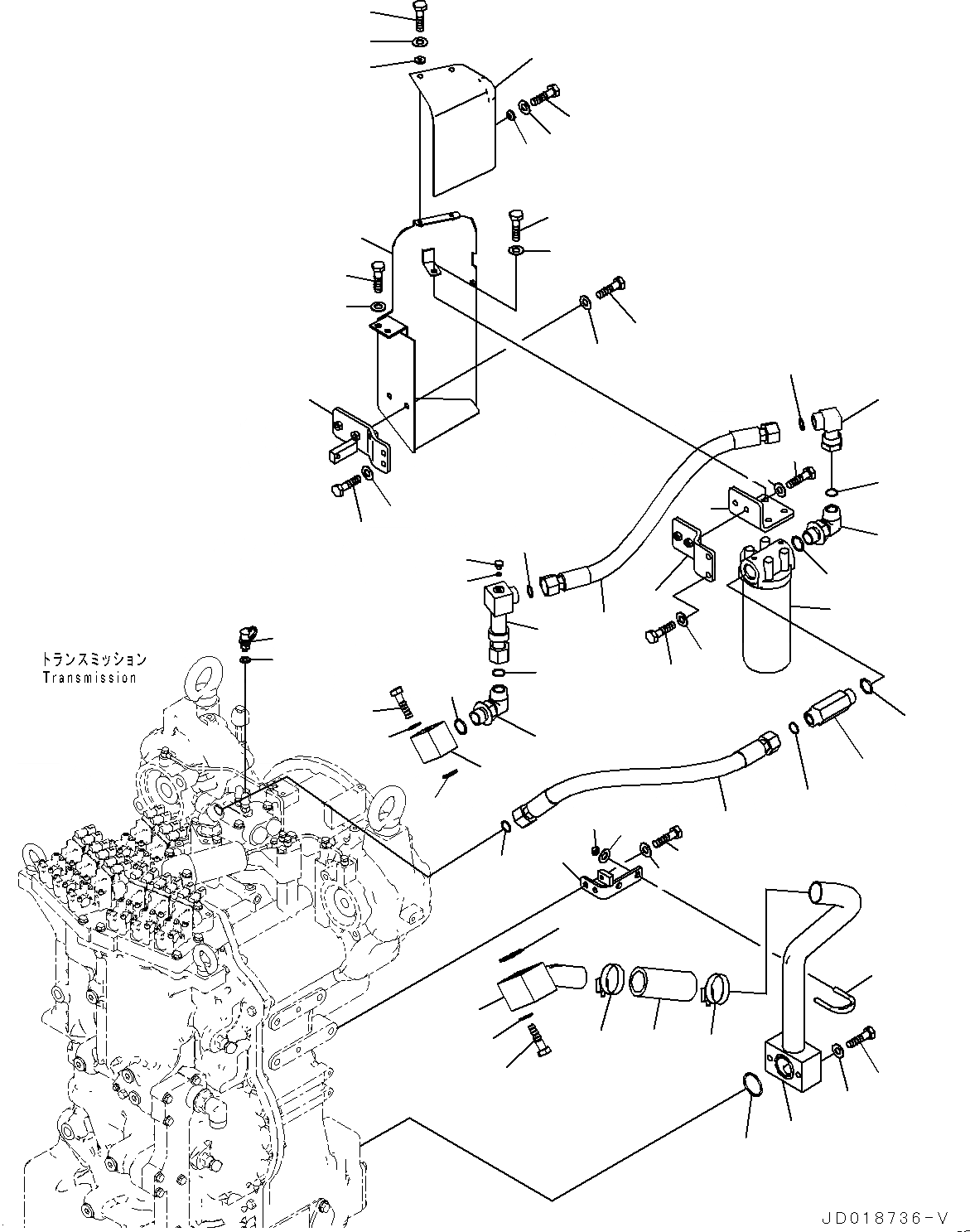
Запчасти Komatsu GD655-5 МАСЛЯНЫЙ ФИЛЬТР ТРАНСМИССИИ (№-) МАСЛЯНЫЙ ФИЛЬТР ТРАНСМИССИИ, С ЗАДН. МОСТ, бЛОК. ДИФФЕРЕНЦИАЛА ТИП

Схема запчастей Komatsu GD655-5 - МАСЛЯНЫЙ ФИЛЬТР ТРАНСМИССИИ (№-) МАСЛЯНЫЙ ФИЛЬТР ТРАНСМИССИИ, С ЗАДН. МОСТ, бЛОК. ДИФФЕРЕНЦИАЛА ТИП
2
3
4
5
19
6
6
7
7
8
1
9
10
11
12
13
16
17
14
17
18
18
19
15
20
20
25
27
27
22
23
24
25
26
26
31
28
30
32
21
21
21
21
29
33
34
36
38
39
37
41
43
44
45
46
47
48
49
50
51
52
42
42
35
40
FIT
1:1
100%

Артикул

Название

Примечание

Количество

1

714-07-28703

Filter Assembly

SN: 55001-UP

1шт.

1

714-07-28713

Cartridge

SN: 55001-UP

1шт.

2

23B-16-71220

Cover

SN: 55001-UP

1шт.

3

01010-81020

Bolt

SN: 55001-UP

2шт.

4

01643-31032

Washer

SN: 55001-UP

2шт.

5

23B-16-71840

Sheet

SN: 55001-UP

1шт.

6

01010-80616

Bolt

SN: 55001-UP

3шт.

7

01643-30623

Washer

SN: 55001-UP

3шт.

8

23B-16-71250

Plate

SN: 55001-UP

1шт.

9

01010-81030

Bolt

SN: 55001-UP

4шт.

10

01643-31032

Washer

SN: 55001-UP

4шт.

11

01010-81030

Bolt

SN: 55001-UP

2шт.

12

01643-31032

Washer

SN: 55001-UP

2шт.

13

23B-16-71240

Bracket

SN: 55001-UP

1шт.

14

01010-81025

Bolt

SN: 55001-UP

2шт.

15

01643-31032

Washer

SN: 55001-UP

2шт.

16

23B-16-71230

Bracket

SN: 55001-UP

1шт.

17

01010-81025

Bolt

SN: 55001-UP

4шт.

18

01643-31032

Washer

SN: 55001-UP

4шт.

19

20Y-53-12310

Collar

SN: 55001-UP

3шт.

20

23B-16-71190

Hose

SN: 55001-UP

2шт.

21

23B-60-33240

O-ring

SN: 55001-UP

4шт.

22

23B-16-31651

Tube

SN: 55001-UP

1шт.

23

07040-11007

Plug

SN: 55001-UP

1шт.

24

07002-21023

O-ring

SN: 55001-UP

1шт.

25

21W-62-42640

Elbow

SN: 55001-UP

2шт.

26

23B-60-33240

O-ring

SN: 55001-UP

2шт.

27

07002-23334

O-ring

SN: 55001-UP

2шт.

28

799-101-5220

Nipple

SN: 55001-UP

2шт.

29

07002-11023

O-ring

SN: 55001-UP

2шт.

30

23B-16-71270

Union

SN: 55001-UP

1шт.

31

07002-23334

O-ring

SN: 55001-UP

1шт.

32

23B-16-71650

Elbow

SN: 55001-UP

1шт.

33

23B-16-71320

Block

SN: 55001-UP

1шт.

34

01010-80880

Bolt

SN: 55001-UP

4шт.

35

01643-30823

Washer

SN: 55001-UP

4шт.

36

07000-13028

O-ring

SN: 55001-UP

1шт.

37

23B-16-71430

Tube

SN: 55001-UP

1шт.

38

01010-81290

Bolt

SN: 55001-UP

4шт.

39

01643-31232

Washer

SN: 55001-UP

4шт.

40

07000-13045

O-ring

SN: 55001-UP

1шт.

41

07260-04714

Hose

SN: 55001-UP

1шт.

42

07289-00070

Clamp

SN: 55001-UP

2шт.

43

23B-16-71830

Tube

SN: 55001-UP

1шт.

44

01010-81280

Bolt

SN: 55001-UP

2шт.

45

01643-31232

Washer

SN: 55001-UP

2шт.

46

07000-13050

O-ring

SN: 55001-UP

1шт.

47

23B-16-71260

Bracket

SN: 55001-UP

1шт.

48

01010-81025

Bolt

SN: 55001-UP

2шт.

49

01643-31032

Washer

SN: 55001-UP

2шт.

50

07283-34949

Clip

SN: 55001-UP

1шт.

51

01643-31032

Washer

SN: 55001-UP

2шт.

52

01597-01009

Nut

SN: 55001-UP

2шт.

Выбрано товаров: 53