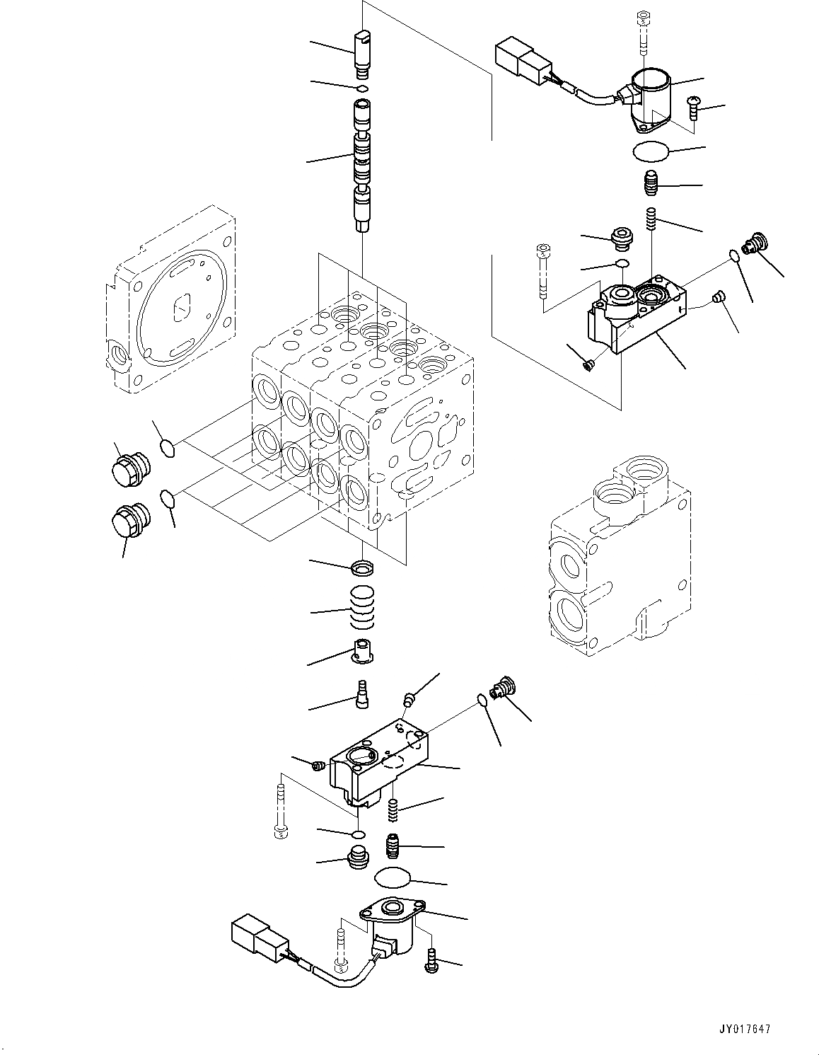
Запчасти Komatsu GD655-5 ПОЛ КЛАПАН, ВНУТР. ЧАСТИ (/) (№-) ПОЛ КЛАПАН, С -ДОПОЛН. СОЛЕНОИД УПРАВЛЯЮЩ. КЛАПАН

Схема запчастей Komatsu GD655-5 - ПОЛ КЛАПАН, ВНУТР. ЧАСТИ (/) (№-) ПОЛ КЛАПАН, С -ДОПОЛН. СОЛЕНОИД УПРАВЛЯЮЩ. КЛАПАН
1
13
17
20
6
7
8
5
5
4
9
11
14
15
16
3
2
3
5
11
6
7
8
9
5
4
2
10
10
18
19
18
19
12
12
FIT
1:1
100%

Артикул

Название

Примечание

Количество

|$0

723-14-13800

Valve Assembly, Control

SN: 55001-UP

1шт.

1

Spool

SN: 55001-UP

4шт.

1

702-21-61800

Case Subassembly

SN: 55001-UP

8шт.

2

Case

SN: 55001-UP

1шт.

3

708-8E-16160

Plug

SN: 55001-UP

1шт.

4

702-21-54190

Filter

SN: 55001-UP

1шт.

5

07002-11023

O-ring

SN: 55001-UP

2шт.

6

Spool

SN: 55001-UP

1шт.

7

702-21-56220

Spring

SN: 55001-UP

1шт.

8

702-21-56241

Solenoid

SN: 55001-UP

1шт.

9

700-80-61260

O-ring

SN: 55001-UP

1шт.

10

702-21-54180

Screw

SN: 55001-UP

2шт.

11

Plug

SN: 55001-UP

1шт.

12

Orifice

SN: 55001-UP

1шт.

13

723-11-17361

Bolt

SN: 55001-UP

4шт.

14

723-11-17353

Retainer

SN: 55001-UP

4шт.

15

723-11-17330

Retainer

SN: 55001-UP

4шт.

16

723-11-17341

Spring

SN: 55001-UP

4шт.

17

Plug

SN: 55001-UP

4шт.

18

723-46-15180

Plug

SN: 55001-UP

8шт.

19

07002-11823

O-ring

SN: 55001-UP

8шт.

20

O-ring

SN: 55001-UP

4шт.

Выбрано товаров: 22