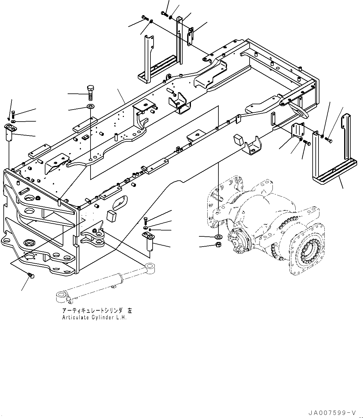
Запчасти Komatsu GD655-5 ЗАДН. РАМА (№-) ЗАДН. РАМА, БЕЗ НАКАЧИВАНИЕ ШИН КОМПЛЕКТ

Схема запчастей Komatsu GD655-5 - ЗАДН. РАМА (№-) ЗАДН. РАМА, БЕЗ НАКАЧИВАНИЕ ШИН КОМПЛЕКТ
2
2
3
3
4
4
5
5
6
7
8
8
15
9
9
10
11
13
14
11
10
14
13
12
12
1
FIT
1:1
100%

Артикул

Название

Примечание

Количество

1

23B-46-72103

Frame

SN: 55471-UP

1шт.

1

23B-46-72102

Frame

SN: 55147-55470

1шт.

|$2

23B-46-72101

Frame

SN: 55001-55146

1шт.

2

23B-46-31381

Pin

SN: 55001-UP

2шт.

3

175-54-34170

Washer

SN: 55001-UP

2шт.

4

01010-81220

Bolt

SN: 55001-UP

2шт.

5

01643-32780

Washer

SN: 55001-UP

16шт.

6

01011-62770

Bolt

SN: 55001-UP

8шт.

7

01580-02722

Nut

SN: 55001-UP

8шт.

8

07020-00675

Fitting, Grease

SN: 55001-UP

2шт.

9

23B-46-72510

Bracket

SN: 55001-UP

4шт.

10

01010-81225

Bolt

SN: 55001-UP

8шт.

11

01643-31232

Washer

SN: 55001-UP

8шт.

12

424-46-42121

Step

SN: 55001-UP

2шт.

13

01010-81225

Bolt

SN: 55001-UP

8шт.

14

01643-31232

Washer

SN: 55001-UP

8шт.

15

04418-13060

Screw

SN: 55147-UP

4шт.

Выбрано товаров: 17