Запчасти Komatsu GD655-5 ОСНОВН. КОНСТРУКЦИЯ, С 9 СЕКЦ. КЛАПАН, KOMTRAX, КОНСОЛЬ COVER, RHS ОСНОВН. КОНСТРУКЦИЯ, С 9 СЕКЦ. КЛАПАН, KOMTRAX

Схема запчастей Komatsu GD655-5 - ОСНОВН. КОНСТРУКЦИЯ, С 9 СЕКЦ. КЛАПАН, KOMTRAX, КОНСОЛЬ COVER, RHS ОСНОВН. КОНСТРУКЦИЯ, С 9 СЕКЦ. КЛАПАН, KOMTRAX
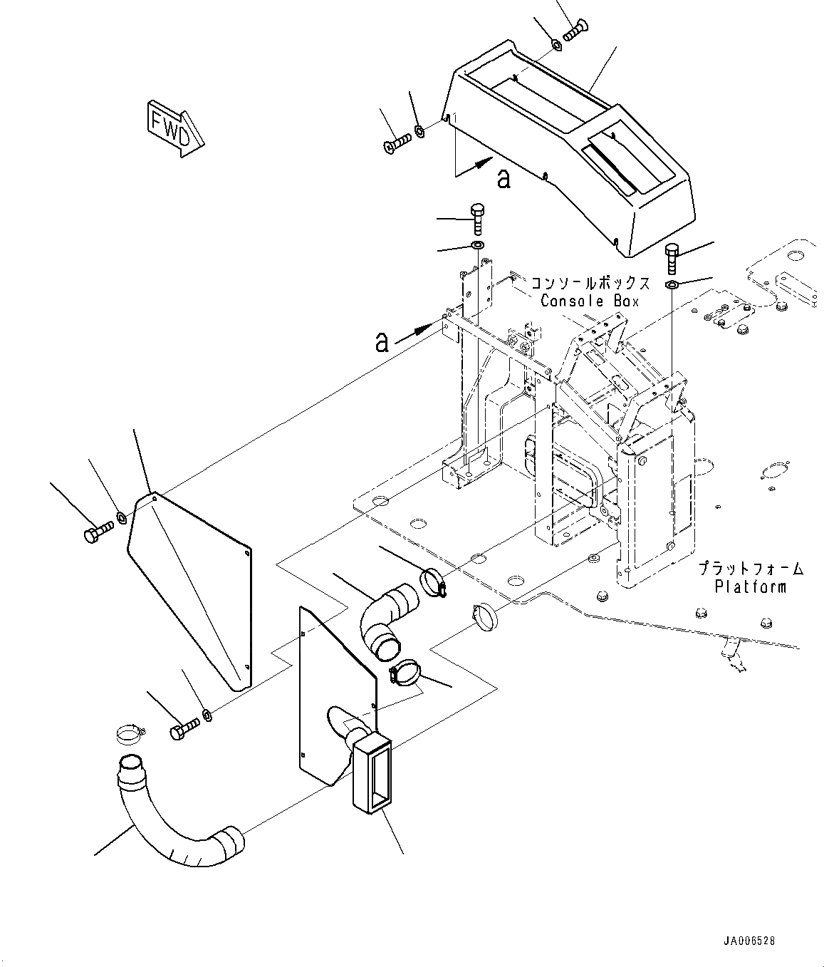
1
2
3
4
5
6
7
8
9
10
11
12
13
14
6
8
7
3
2
FIT
1:1
100%

Артикул

Название

Примечание

Количество

1

23B-43-61150

Cover

SN: B40001-UP

1шт.

2

23S-55-51970

Washer

SN: B40001-UP

6шт.

3

01225-70616

Screw, Philips Head

SN: B40001-UP

6шт.

4

23A-952-8741

Hose

SN: B40001-UP

1шт.

5

23A-952-8750

Hose

SN: B40001-UP

1шт.

6

07281-00549

Clamp

SN: B40001-UP

2шт.

7

01010-81025

Bolt

SN: B40001-UP

5шт.

8

01643-31032

Washer

SN: B40001-UP

5шт.

9

23B-54-72180

Plate

SN: B40001-UP

1шт.

10

01010-80616

Bolt

SN: B40001-UP

3шт.

11

01643-30623

Washer

SN: B40001-UP

3шт.

12

23B-54-72231

Cover

SN: B40001-UP

1шт.

13

01010-80616

Bolt

SN: B40001-UP

4шт.

14

01643-30623

Washer

SN: B40001-UP

4шт.

Выбрано товаров: 14