Запчасти Komatsu GD655-5 ОСНОВН. КОНСТРУКЦИЯ, С 9 СЕКЦ. КЛАПАН, KOMTRAX, КОНДИЦ. ВОЗДУХА ДРЕНАЖНЫЕ ПАТРУБКИ КРЕПЛЕНИЕ ОСНОВН. КОНСТРУКЦИЯ, С 9 СЕКЦ. КЛАПАН, KOMTRAX

Схема запчастей Komatsu GD655-5 - ОСНОВН. КОНСТРУКЦИЯ, С 9 СЕКЦ. КЛАПАН, KOMTRAX, КОНДИЦ. ВОЗДУХА ДРЕНАЖНЫЕ ПАТРУБКИ КРЕПЛЕНИЕ ОСНОВН. КОНСТРУКЦИЯ, С 9 СЕКЦ. КЛАПАН, KOMTRAX
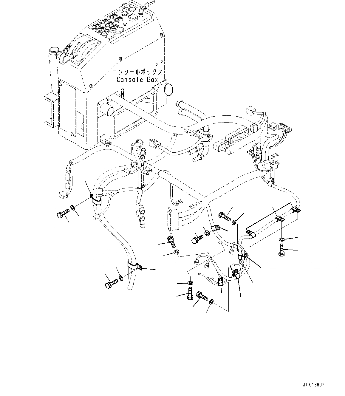
1
2
3
4
5
6
7
8
10
11
12
13
14
15
1
9
9
10
8
13
14
15
6
7
5
FIT
1:1
100%

Артикул

Название

Примечание

Количество

1

04434-51410

Clip

SN: B40001-UP

2шт.

2

01010-81020

Bolt

SN: B40001-UP

1шт.

3

01643-31032

Washer

SN: B40001-UP

1шт.

4

04434-50810

Clip

SN: B40001-UP

1шт.

5

04434-51410

Clip

SN: B40001-UP

4шт.

6

01010-81020

Bolt

SN: B40001-UP

4шт.

7

01643-31032

Washer

SN: B40001-UP

4шт.

8

04435-50610

Clip

SN: B40001-UP

2шт.

9

01010-81020

Bolt

SN: B40001-UP

2шт.

10

01643-31032

Washer

SN: B40001-UP

2шт.

11

01010-81016

Bolt

SN: B40001-UP

1шт.

12

01643-31032

Washer

SN: B40001-UP

1шт.

13

04435-52110

Clip

SN: B40001-UP

2шт.

14

01010-81020

Bolt

SN: B40001-UP

2шт.

15

01643-31032

Washer

SN: B40001-UP

2шт.

Выбрано товаров: 15