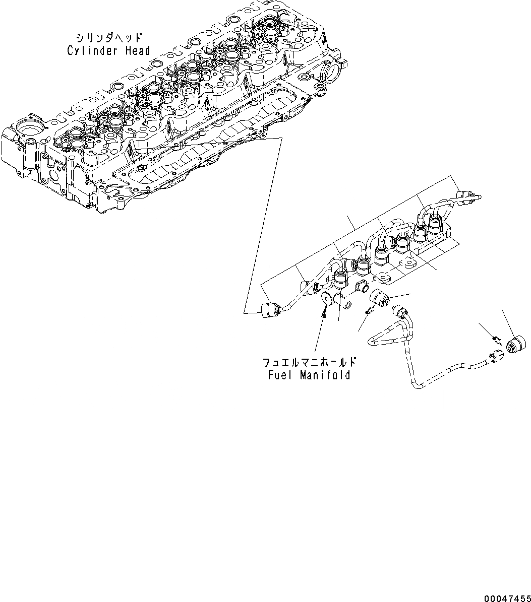
Запчасти Komatsu SAA6D107E-1CC ТОПЛИВН. СИСТЕМА COVER ТОПЛИВН. СИСТЕМА COVER

Схема запчастей Komatsu SAA6D107E-1CC - ТОПЛИВН. СИСТЕМА COVER ТОПЛИВН. СИСТЕМА COVER
1
1
1
2
1
1
2
1
1
1
2
1
1
2
FIT
1:1
100%

Артикул

Название

Примечание

Количество

1

6754-71-9710

Cover

SN: 26540705-UP

14шт.

2

6754-71-5770

Clamp

SN: 36324326-UP

14шт.

|2

6217-71-5750

Clamp

SN: 26540705-36324325

14шт.

1

6754-71-9710

Cover

SN: 26540705-UP

14шт.

2

6754-71-5770

Clamp

SN: 36324326-UP

14шт.

|2

6217-71-5750

Clamp

SN: 26540705-36324325

14шт.

Выбрано товаров: 6