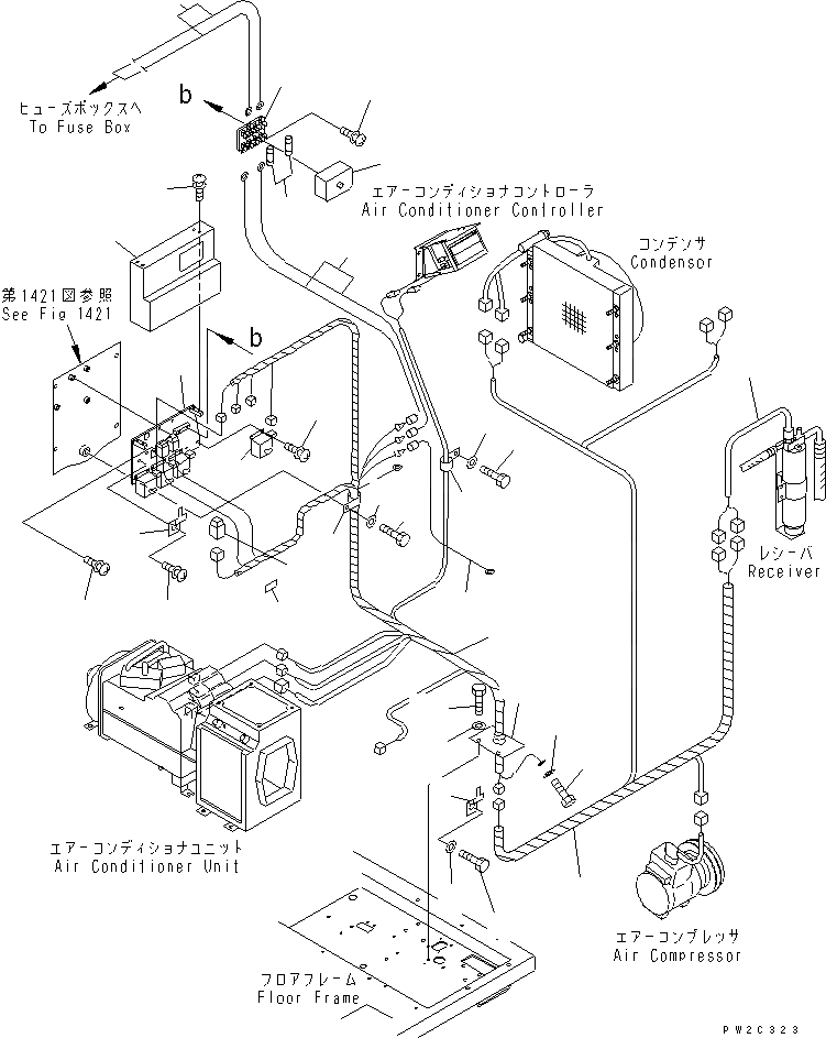
Запчасти Komatsu GD661A-1 КОНДИЦ. ВОЗДУХА (8/9) (ELECTRLCAL ЧАСТИ)(№89-) РАМА И ЧАСТИ КОРПУСА

Схема запчастей Komatsu GD661A-1 - КОНДИЦ. ВОЗДУХА (8/9) (ELECTRLCAL ЧАСТИ)(№89-) РАМА И ЧАСТИ КОРПУСА
1
2
3
4
4
5
5
6
6
7
8
9
10
11
12
13
13
14
15
16
17
17
18
19
20
21
22
23
24
24
25
26
27
28
FIT
1:1
100%

Артикул

Название

Примечание

Количество

1

23D-809-2762

WIRING HARNESS

SN: 10689-UP

1шт.

2

23A-809-2320

BRACKET

SN: 10689-UP

1шт.

3

421-07-21820

WIRING HARNESS

SN: 10689-UP

1шт.

4

08036-02514

CLIP

SN: 10689-UP

2шт.

5

01010-51016

BOLT

SN: 10689-UP

2шт.

6

01643-31032

WASHER

SN: 10689-UP

2шт.

7

08053-00910

CLIP

SN: 10689-UP

1шт.

8

01010-51016

BOLT

SN: 10689-UP

1шт.

9

01643-31032

WASHER

SN: 10689-UP

1шт.

10

01010-51016

BOLT

SN: 10689-UP

1шт.

11

01643-31032

WASHER

SN: 10689-UP

1шт.

12

23D-809-3570

PLATE

SN: 10689-UP

3шт.

13

01023-10608

SCREW

SN: 10689-UP

11шт.

14

232-06-61330

CABLE

SN: 10689-UP

1шт.

15

232-817-3370

CABLE

SN: 10689-UP

2шт.

16

23A-809-2520

CABLE

SN: 10689-UP

2шт.

17

08043-04000

BOX

SN: 10689-UP

1шт.

18

08040-02000

FUSE, 20A

SN: 10689-UP

2шт.

19

01023-10520

SCREW

SN: 10689-UP

2шт.

20

421-07-21260

RELAY

SN: 10689-UP

4шт.

21

425-963-1920

RELAY

SN: 10689-UP

3шт.

22

421-07-21180

BRACKET

SN: 10689-UP

3шт.

23

23A-809-2640

COVER

SN: 10689-UP

1шт.

24

01023-10612

SCREW

SN: 10689-UP

8шт.

25

23A-809-2630

PLATE

SN: 10689-UP

1шт.

26

23D-809-3490

PLATE

SN: 10689-UP

1шт.

27

01010-81225

BOLT

SN: 10689-UP

2шт.

28

01643-31232

WASHER

SN: 10689-UP

2шт.

Выбрано товаров: 28