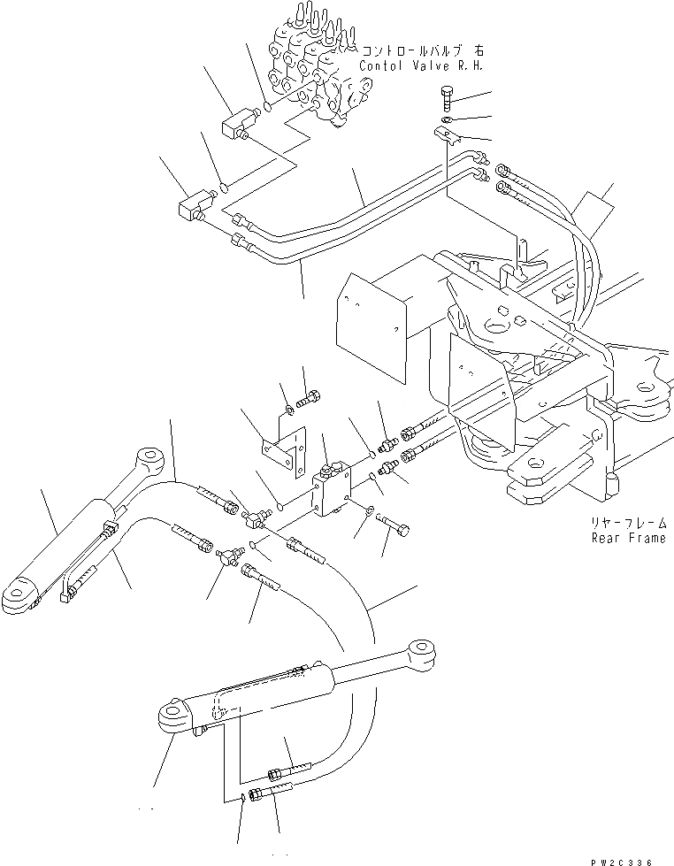
Запчасти Komatsu GD661A-1 ГИДРОЛИНИЯ (ЦИЛИНДР СОЧЛЕНЕНИЯ ЛИНИЯ)(№7-) ГИДРАВЛИКА

Схема запчастей Komatsu GD661A-1 - ГИДРОЛИНИЯ (ЦИЛИНДР СОЧЛЕНЕНИЯ ЛИНИЯ)(№7-) ГИДРАВЛИКА
1
2
3
3
4
4
5
6
6
7
7
7
7
8
9
10
11
12
13
14
14
14
15
15
15
16
16
17
18
19
20
21
22
FIT
1:1
100%

Артикул

Название

Примечание

Количество

1

23B-60-14530

TUBE

SN: 10001-UP

1шт.

2

23B-60-14540

TUBE

SN: 10001-UP

1шт.

3

237-60-22251

ELBOW

SN: 10001-UP

2шт.

4

237-60-22240

O-RING

SN: 10001-UP

2шт.

5

230-09-03060

HOSE

SN: 10001-UP

2шт.

6

07230-10315

UNION

SN: 10001-UP

2шт.

7

07002-12034

O-RING

SN: 10001-UP

4шт.

8

235-61-13700

VALVE ASS'Y,PILOT CHECK

SN: 10001-UP

1шт.

9

23A-60-14110

BRACKET

SN: 10001-UP

1шт.

10

01010-51025

BOLT

SN: 10001-UP

2шт.

11

01643-31032

WASHER

SN: 10001-UP

2шт.

12

01010-50860

BOLT

SN: 10001-UP

2шт.

13

01643-30823

WASHER

SN: 10001-UP

2шт.

14

230-09-03070

HOSE

SN: 10007-UP

2шт.

15

230-09-03080

HOSE

SN: 10007-UP

2шт.

16

233-60-32250

TEE

SN: 10001-UP

2шт.

17

07002-12034

O-RING

SN: 10674-UP

2шт.

18

23B-63-X1280

CYLINDER ASS'Y,ARTICULATE

SN: 10674-UP

1шт.

19

23B-63-X1290

CYLINDER ASS'Y,ARTICULATE

SN: 10674-UP

1шт.

20

232-60-54820

CLIP

SN: 10001-UP

1шт.

21

01010-51020

BOLT

SN: 10001-UP

1шт.

22

01643-31032

WASHER

SN: 10001-UP

1шт.

Выбрано товаров: 22