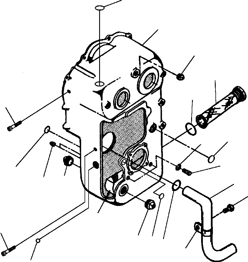
Запчасти Komatsu GD670A-1 ОСНОВН. КОРПУС ПРИВОД TRAIN

Схема запчастей Komatsu GD670A-1 - ОСНОВН. КОРПУС ПРИВОД TRAIN
17
1
2
4
3
15
6
5
7
18
2
8
14
9
13
15
12
16
11
10
19
FIT
1:1
100%

Артикул

Название

Примечание

Количество

|$0

TRANSMISSION

-54шт.

1

134 361

CASE, MAIN

1шт.

2

20 973 R1

PLUG, PIPE

3шт.

3

134 945

GASKET, SUCTION SCREEN

1шт.

4

134 937

SCREEN, SUCTION

1шт.

5

309 161 R1

WASHER, SEAL

2шт.

6

134 395

PLUG, EXPANSION

2шт.

7

84 880

BOLT

2шт.

8

134 362

TUBE, SUCTION

1шт.

9

37 093

BOLT

1шт.

10

134 944

CLAMP, TUBE

1шт.

11

O-RING - NOT USED

1шт.

12

444 679

PLUG, PIPE

1шт.

13

134 358

BAFFLE, OIL

1шт.

14

149 491

PLUG, PIPE

2шт.

15

82 717

BOLT

2шт.

16

38 653

PLUG, EXPANSION

1шт.

17

69 890

PLUG, EXPANSION

1шт.

18

110 702

PLUG, EXPANSION

1шт.

19

17 012 R1

BALL

1шт.

Выбрано товаров: 0