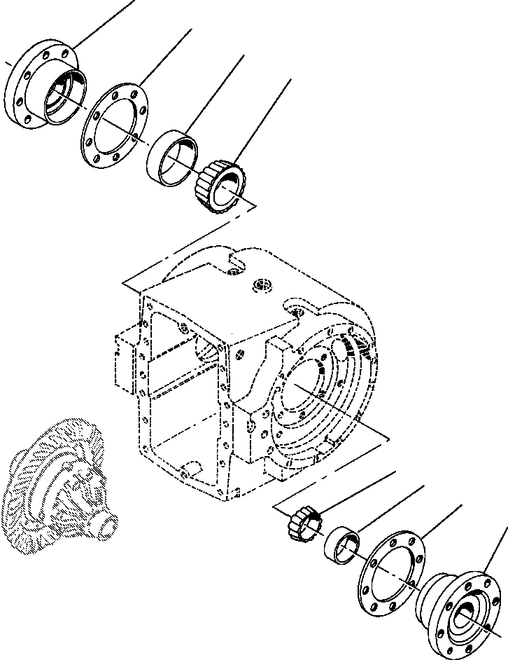
Запчасти Komatsu GD670A-1 ДИФФЕРЕНЦ. ПОДШИПНИК QUILLS NOSПАЛЕЦ ДИФФЕРЕНЦ. ПРИВОД TRAIN

Схема запчастей Komatsu GD670A-1 - ДИФФЕРЕНЦ. ПОДШИПНИК QUILLS NOSПАЛЕЦ ДИФФЕРЕНЦ. ПРИВОД TRAIN
1
2
3
4
5
6
2
7
FIT
1:1
100%

Артикул

Название

Примечание

Количество

|$0

CASE ASSEMBLY, DIFFERENTIAL

-54шт.

1

149 884

QUILL

1шт.

2

149 885

SHIM - .003

-2шт.

|$3

149 886

SHIM - .005

-2шт.

|$4

149 887

SHIM - .010

-2шт.

|$5

622 335 C91

BEARING ASSEMBLY

1шт.

3

622 337 C1

BEARING, CUP

1шт.

4

622 336 C91

BEARING, CONE

1шт.

|$8

131 474 R91

BEARING ASSEMBLY

1шт.

5

131 475 R91

BEARING, CONE

1шт.

6

972 466 R1

BEARING, CUP

1шт.

7

149 883

QUILL

1шт.

Выбрано товаров: 12