Запчасти Komatsu GD670A-1 AWD ЭЛЕКТРОПРОВОДКА DIAGRAM ЭЛЕКТР.

Схема запчастей Komatsu GD670A-1 - AWD ЭЛЕКТРОПРОВОДКА DIAGRAM ЭЛЕКТР.
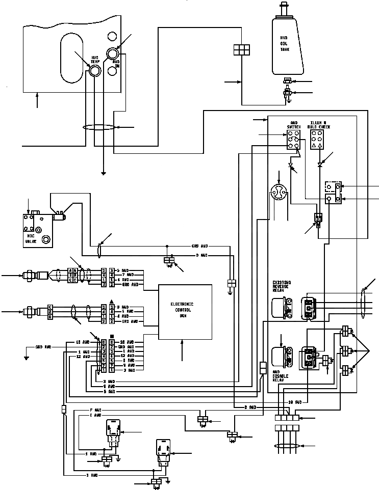
3
2
6
5
7
1
8
4
9
10
13
10
11
19
12
17
14
17
15
20
18
21
22
16
23
24
23
22
23
25
23
15
26
23
23
FIT
1:1
100%

Артикул

Название

Примечание

Количество

1

PANEL, STEERING CONSOLE INSTRUMENT (SEE PG 11-006)

-29шт.

2

1270 326 H91

LIGHT, PILOT - HYD. OIL TEMP. - RED

1шт.

|$2

274 019

BULB - 24 VOLT

1шт.

3

1270 237 H91

LIGHT, PILOT - AWD ON - GREEN

1шт.

|$4

274 019

BULB - 24 VOLT

1шт.

4

HARNESS, CONSOLE WIRING (SEE PG 11-006)

-29шт.

5

HARNESS, REAR LIGHT (SEE PG 08-004)

-29шт.

6

444 032

BUSHING, REDUCER

1шт.

7

1282 169 H1

SWITCH, HYDRAULIC OIL TEMPERATURE

a

1шт.

|$9

158 982

SWITCH, HYDRAULIC OIL TEMPERATURE

b

1шт.

8

PANEL, CONSOLE SWITCH (SEE PG 11-004)

-29шт.

9

1258 399 H1

SWITCH - AWD

a

1шт.

|$12

644 614 C1

SWITCH - AWD

b

1шт.

10

1259 350 H1

DIODE ASSEMBLY

2шт.

11

1106 459 C1

BAR, BUSS

1шт.

12

1109 633 C1

BREAKER, CIRCUIT - 6 AMP

1шт.

13

SWITCH, IGNITION (SEE PG 11-004)

-29шт.

14

250 381 C91

Y-CONNECTOR

1шт.

15

HARNESS, MAIN WIRING (SEE PG 08-002)

-29шт.

16

704 523 C1

RELAY - AWD DISABLE

1шт.

|$20

25 483 R1

BOLT

2шт.

|$21

25 542 R1

WASHER, FLAT

2шт.

|$22

25 519 R1

NUT, HEX

2шт.

17

1284 602 H91

HARNESS, AWD FRONT

1шт.

18

1279 522 H91

CONNECTOR, DIODE

1шт.

19

VALVE, HIC (SEE PG 10-138)

-29шт.

20

1258 753 H1

HARNESS, FRONT WHEEL SENSOR

1шт.

21

1246 048 H1

HARNESS, REAR WHEEL SENSOR

1шт.

22

1283 881 H93

HARNESS, AWD REAR

1шт.

23

1279 522 H91

CONNECTOR, DIODE

8шт.

24

CONTROLLER, ELECTRONIC (SEE PG 08-014)

-29шт.

25

PLUG, SOLENOID - GRAY (SEE PG 10-068)

-29шт.

26

PLUG, SOLENOID - BLACK (SEE PG 10-068)

-29шт.

Выбрано товаров: 0