Запчасти Komatsu GD675-3 ВЫПУСКН. СИСТЕМА(№-) КОМПОНЕНТЫ ДВИГАТЕЛЯ

Схема запчастей Komatsu GD675-3 - ВЫПУСКН. СИСТЕМА(№-) КОМПОНЕНТЫ ДВИГАТЕЛЯ
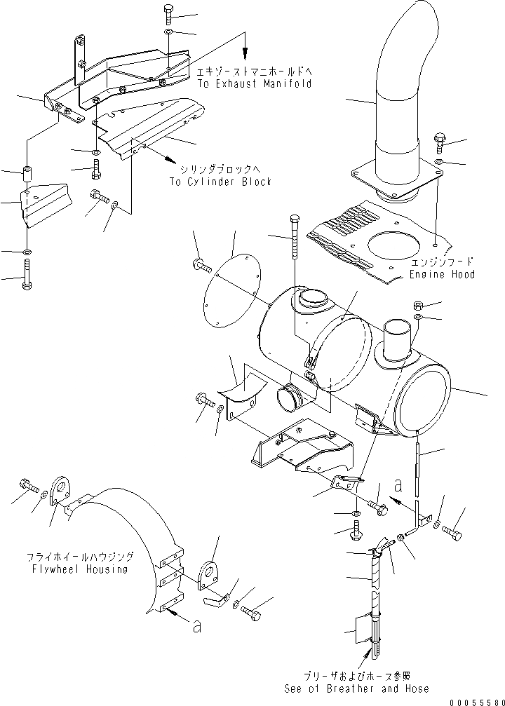
1
2
3
4
5
6
7
8
9
10
11
12
13
14
15
16
17
18
19
20
21
21
22
23
24
25
25
26
27
27
28
28
29
30
31
32
33
34
35
36
37
38
39
40
FIT
1:1
100%

Артикул

Название

Примечание

Количество

1

23B-02-36111

MUFFLER ASS'Y

SN: 51001-UP

1шт.

2

6151-11-5770

BAND ASS'Y

SN: 51001-UP

1шт.

3

6643-11-4641

BOLT

SN: 51001-UP

1шт.

4

01435-01030

BOLT

SN: 51001-UP

2шт.

5

01580-11008

NUT

SN: 51001-UP

2шт.

6

01643-31032

WASHER

SN: 51001-UP

2шт.

7

01643-31232

WASHER

SN: 51001-UP

2шт.

8

23B-02-36140

PLATE

SN: 51001-UP

1шт.

9

01435-00814

BOLT

SN: 51001-UP

6шт.

10

23B-02-33230

PLATE

SN: 51001-UP

1шт.

11

01435-01025

BOLT

SN: 51001-UP

2шт.

12

23B-02-33130

BRACKET

SN: 51001-UP

1шт.

13

01435-01030

BOLT

SN: 51001-UP

2шт.

14

01643-31232

WASHER

SN: 51001-UP

2шт.

15

23B-02-38211

TUBE

SN: 51001-UP

1шт.

16

01010-81230

BOLT

SN: 51001-UP

1шт.

17

01643-31232

WASHER

SN: 51001-UP

1шт.

18

07260-20971

HOSE

SN: 51001-UP

1шт.

19

07285-00155

CLIP

SN: 51001-UP

1шт.

20

415-62-13710

PROTECTOR

SN: 51001-UP

1шт.

21

08034-20536

BAND

SN: 51001-UP

3шт.

22

23B-02-36121

EXHAUST PIPE

SN: 51001-UP

1шт.

23

124-54-26540

WASHER

SN: 51001-UP

4шт.

24

01435-01225

BOLT

SN: 51001-UP

4шт.

25

23B-02-33160

PLATE

SN: 51001-UP

2шт.

26

23B-02-36220

PLATE

SN: 51001-UP

1шт.

27

01010-81240

BOLT

SN: 51001-UP

4шт.

28

01643-31232

WASHER

SN: 51001-UP

4шт.

29

23B-03-34881

BRACKET

SN: 51001-UP

1шт.

30

01010-E1025

BOLT

SN: 51001-UP

3шт.

31

01643-31032

WASHER

SN: 51001-UP

3шт.

32

23B-02-34410

COVER

SN: 51001-UP

1шт.

33

6150-81-6920

SPACER

SN: 51001-UP

2шт.

34

01010-81060

BOLT

SN: 51001-UP

2шт.

35

01643-31032

WASHER

SN: 51001-UP

2шт.

36

23B-02-34421

COVER

SN: 51001-UP

1шт.

37

01010-81025

BOLT

SN: 51001-UP

2шт.

38

01643-31032

WASHER

SN: 51001-UP

2шт.

39

01010-80812

BOLT

SN: 51001-UP

4шт.

40

01643-30823

WASHER

SN: 51001-UP

4шт.

Выбрано товаров: 40