Запчасти Komatsu GD675-3 УДАЛЕННАЯ СМАЗКА(№-) РАМА И КОМПОНЕНТЫ

Схема запчастей Komatsu GD675-3 - УДАЛЕННАЯ СМАЗКА(№-) РАМА И КОМПОНЕНТЫ
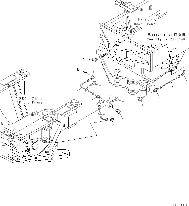
1
2
3
4
4
4
5
6
7
7
8
9
9
10
11
12
12
13
FIT
1:1
100%

Артикул

Название

Примечание

Количество

1

23B-46-31540

BLOCK

SN: 50001-UP

1шт.

2

23B-46-31551

TUBE

SN: 50001-UP

1шт.

3

23B-46-31570

TUBE

SN: 51001-UP

1шт.

4

421-09-12540

ELBOW

SN: 50001-UP

3шт.

5

423-09-12110

CONNECTOR

SN: 50001-UP

1шт.

6

07020-00675

FITTING,GREASE

SN: 50001-UP

2шт.

7

04434-50610

CLIP

SN: 51001-UP

2шт.

8

01435-01014

BOLT

SN: 51001-UP

2шт.

9

23B-46-32510

TUBE

SN: 50001-UP

2шт.

10

421-09-12540

ELBOW

SN: 50001-UP

2шт.

11

423-09-12110

CONNECTOR

SN: 50001-UP

2шт.

12

07020-00675

FITTING,GREASE

SN: 50001-UP

2шт.

13

01435-01035

BOLT

SN: 50001-UP

1шт.

Выбрано товаров: 13