Запчасти Komatsu GD675-3 КОНДИЦ. ВОЗДУХА (ТРУБЫ)(№-) КАБИНА ОПЕРАТОРА И СИСТЕМА УПРАВЛЕНИЯ

Схема запчастей Komatsu GD675-3 - КОНДИЦ. ВОЗДУХА (ТРУБЫ)(№-) КАБИНА ОПЕРАТОРА И СИСТЕМА УПРАВЛЕНИЯ
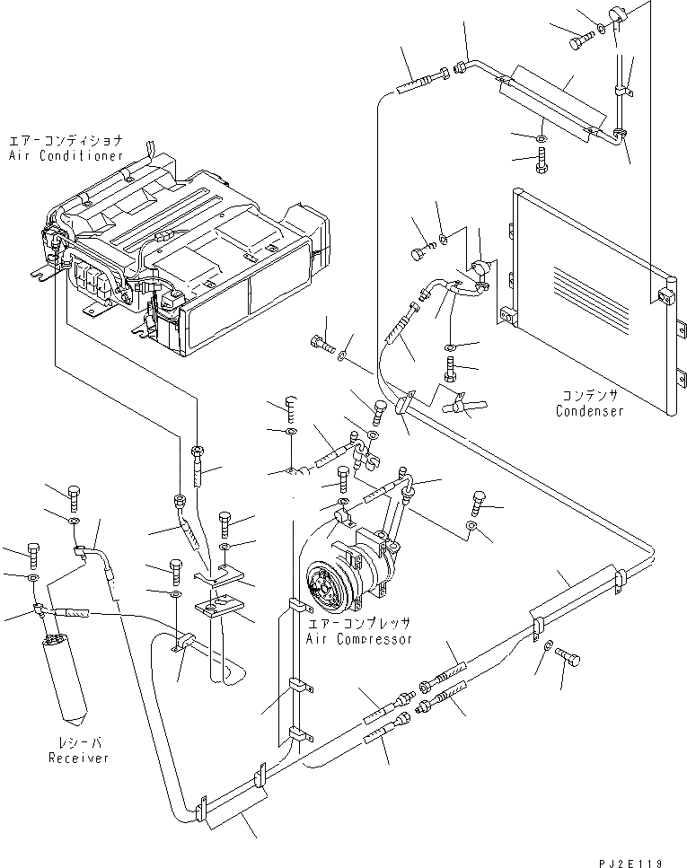
1
1
2
2
3
4
5
5
5
5
6
6
6
6
7
7
8
9
10
10
10
11
11
11
12
12
13
13
14
14
15
16
17
17
18
18
19
20
21
21
22
22
23
23
24
25
26
27
28
29
30
31
32
33
34
35
35
FIT
1:1
100%

Артикул

Название

Примечание

Количество

1

23B-809-7822

HOSE

SN: 50001-UP

1шт.

2

23B-809-7811

HOSE

SN: 50001-UP

1шт.

3

23B-809-7362

CUSHION

SN: 50001-UP

1шт.

4

23B-809-8740

PLATE

SN: 50001-UP

1шт.

5

01010-80625

BOLT

SN: 50001-UP

2шт.

6

01643-30623

WASHER

SN: 50001-UP

2шт.

7

04435-52110

CLIP

SN: 50001-UP

4шт.

8

04434-52210

CLIP

SN: .-UP

1шт.

9

04434-51810

CLIP

SN: .-UP

1шт.

10

01010-81016

BOLT

SN: 50001-UP

6шт.

11

01643-31032

WASHER

SN: 50001-UP

6шт.

12

23B-809-7783

HOSE

SN: 50001-UP

1шт.

13

23B-809-7793

HOSE

SN: 50001-UP

1шт.

14

04435-51910

CLIP

SN: 50001-UP

4шт.

15

01010-81016

BOLT

SN: 50001-UP

4шт.

16

01643-31032

WASHER

SN: 50001-UP

4шт.

17

23B-809-9190

HOSE

SN: 51001-UP

1шт.

18

23B-809-9180

HOSE

SN: 51001-UP

1шт.

19

23B-809-9170

TUBE

SN: 51001-UP

1шт.

20

23B-809-9160

TUBE

SN: 51001-UP

1шт.

21

01010-80830

BOLT

SN: 50001-UP

2шт.

22

01643-30823

WASHER

SN: 50001-UP

2шт.

23

04434-51208

CLIP

SN: 51001-UP

3шт.

24

01010-80816

BOLT

SN: 51001-UP

3шт.

25

01010-80816

BOLT

SN: 51001-UP

3шт.

26

208-06-12160

CLIP

SN: 50001-UP

1шт.

27

01010-80816

BOLT

SN: 51001-UP

1шт.

28

01643-30823

WASHER

SN: 50001-UP

1шт.

29

04435-51910

CLIP

SN: 50001-UP

1шт.

30

04434-51810

CLIP

SN: 50001-UP

1шт.

31

01010-81016

BOLT

SN: 50001-UP

1шт.

32

01643-31032

WASHER

SN: 50001-UP

1шт.

33

01050-81040

BOLT

SN: 50001-UP

1шт.

34

01643-31032

WASHER

SN: 50001-UP

1шт.

35

23B-03-31270

CAP,(WITH AIR CONDITIONER)

SN: 50001-UP

2шт.

Выбрано товаров: 35