Запчасти Komatsu GD675-3 ТОПЛИВН.¤ ГИДР. БАК. AND ЭЛЕМЕНТЫ КРЕПЛЕНИЯ(№-) ТОПЛИВН. БАК. AND КОМПОНЕНТЫ

Схема запчастей Komatsu GD675-3 - ТОПЛИВН.¤ ГИДР. БАК. AND ЭЛЕМЕНТЫ КРЕПЛЕНИЯ(№-) ТОПЛИВН. БАК. AND КОМПОНЕНТЫ
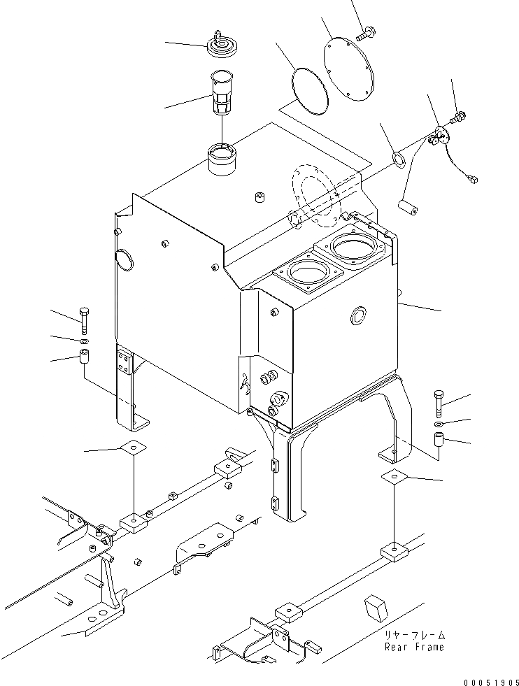
1
2
3
4
4A
5
6
6
7
7
8
8
9
9
10
11
12
FIT
1:1
100%

Артикул

Название

Примечание

Количество

1

23B-04-31640

TANK,FUEL

SN: 51201-UP

1шт.

2

238-04-12130

STRAINER

SN: 50001-UP

1шт.

3

428-04-11120

COVER

SN: .-UP

1шт.

4

07000-15200

O-RING

SN: .-UP

1шт.

4A

01435-01020

BOLT

SN: .-UP

6шт.

5

20Y-04-11160

CAP

SN: 50001-UP

1шт.

6

01010-81685

BOLT

SN: 50001-UP

4шт.

7

01643-31645

WASHER

SN: 50001-UP

4шт.

8

23B-04-31580

SPACER

SN: 51201-UP

4шт.

9

23B-04-31570

SHIM, 0.5MM

SN: 51201-UP

6шт.

10

23B-06-42650

SENSOR,FUEL

SN: .-UP

1шт.

11

237-06-15190

PACKING

SN: 50001-UP

1шт.

12

01023-10412

SCREW

SN: 50001-UP

5шт.

Выбрано товаров: 13