Запчасти Komatsu GD675-3 УПРАВЛЯЮЩ. КЛАПАН (4-Х СЕКЦИОНН.) (/) (ПРАВ.) ОСНОВН. КОМПОНЕНТЫ И РЕМКОМПЛЕКТЫ

Схема запчастей Komatsu GD675-3 - УПРАВЛЯЮЩ. КЛАПАН (4-Х СЕКЦИОНН.) (/) (ПРАВ.) ОСНОВН. КОМПОНЕНТЫ И РЕМКОМПЛЕКТЫ
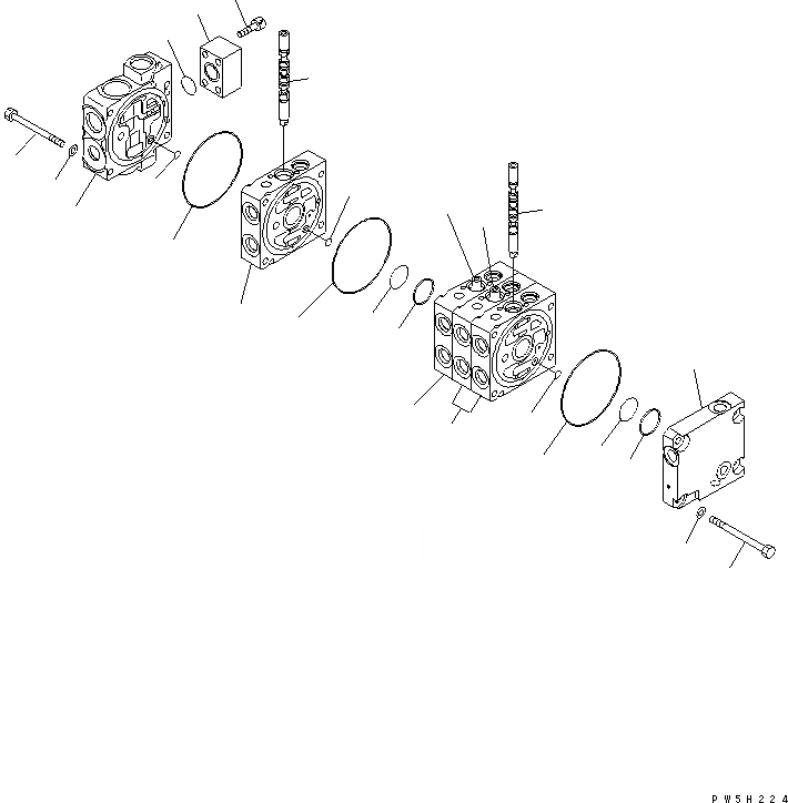
1
2
3
4
5
6
7
7
7
8
9
9
10
10
11
11
12
13
14
15
15
16
17
18
19
20
FIT
1:1
100%

Артикул

Название

Примечание

Количество

|$1

723-14-11803

CONTROL VALVE

SN: 50001-UP

1шт.

|$$2

THIS ASSEMBLY CONSISTS OF ALL PARTS SHOWN IN FIGS.Y1664-11A0 T0 Y1664-15A0.

-1шт.

1

0

BODY,VALVE

SN: 50001-UP

1шт.

2

0

BLOCK,VALVE

SN: 50001-UP

1шт.

3

0

BLOCK,VALVE

SN: 50001-UP

1шт.

4

0

BLOCK,VALVE

SN: 50001-UP

2шт.

5

0

COVER,VALVE

SN: 50001-UP

1шт.

6

723-11-18420

BLOCK

SN: 50001-UP

1шт.

7

07000-12100

O-RING

SN: 50001-UP

5шт.

8

07000-11008

O-RING

SN: 50001-UP

1шт.

9

723-11-19110

O-RING

SN: 50001-UP

4шт.

10

723-11-19150

RING

SN: 50001-UP

4шт.

11

07000-11007

O-RING

SN: 50001-UP

4шт.

12

723-11-18430

O-RING

SN: 50001-UP

1шт.

13

723-11-32760

BOLT

SN: 50001-UP

4шт.

14

723-11-32790

BOLT

SN: 50001-UP

4шт.

15

01643-50823

WASHER

SN: 50001-UP

8шт.

16

01252-60830

BOLT

SN: 50001-UP

4шт.

17

0

SPOOL

SN: 50001-UP

1шт.

18

0

SPOOL

SN: 50001-UP

1шт.

19

0

SPOOL

SN: 50001-UP

1шт.

20

0

SPOOL

SN: 50001-UP

1шт.

Выбрано товаров: 22