Запчасти Komatsu GD675-3A ПОЛ Э/ПРОВОДКА И Э/ПРОВОДКА ТРАНСМИССИИ (С ГИДРАВЛ ВЕНТИЛЯТОР)(№-) КАБИНА ОПЕРАТОРА И СИСТЕМА УПРАВЛЕНИЯ

Схема запчастей Komatsu GD675-3A - ПОЛ Э/ПРОВОДКА И Э/ПРОВОДКА ТРАНСМИССИИ (С ГИДРАВЛ ВЕНТИЛЯТОР)(№-) КАБИНА ОПЕРАТОРА И СИСТЕМА УПРАВЛЕНИЯ
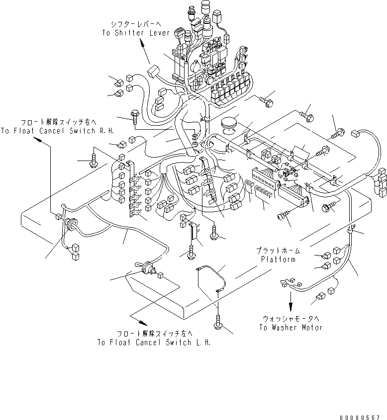
1
1
2
2
2
3
3
4
5
6
7
8
9
9
9
10
11
12
13
13
13
13
14
14
14
15
16
17
18
19
20
21
22
23
24
24
25
26
27
28
29
30
FIT
1:1
100%

Артикул

Название

Примечание

Количество

1

23B-06-41316

WIRING HARNESS,R.H. BOX

SN: 11162-UP

1шт.

2

21J-06-13661

DIODE

SN: 11162-UP

3шт.

3

23B-06-41349

WIRING HARNESS,FLOOR

SN: 11162-UP

1шт.

4

08044-00030

TERMINAL

SN: 11162-UP

2шт.

5

08044-00040

TERMINAL

SN: 11162-UP

2шт.

6

08044-01500

BOX

SN: 11162-UP

1шт.

7

08041-01000

FUSE, 10A

SN: 11162-UP

6шт.

8

08041-02000

FUSE, 20A

SN: 11162-UP

13шт.

9

21J-06-13661

DIODE

SN: 11162-UP

3шт.

10

23B-06-44331

BRACKET

SN: 11162-UP

1шт.

11

23B-06-44411

BRACKET

SN: 11162-UP

1шт.

12

23B-06-44431

BRACKET

SN: 11162-UP

1шт.

13

01435-01016

BOLT

SN: 11162-UP

9шт.

14

04434-51410

CLIP

SN: 11162-UP

8шт.

15

01435-01016

BOLT

SN: 11162-UP

3шт.

16

09415-05016

CAP

SN: 11162-UP

1шт.

17

01435-01016

BOLT

SN: 11162-UP

2шт.

18

04434-51810

CLIP

SN: 11162-UP

1шт.

19

04434-52210

CLIP

SN: 11162-UP

1шт.

20

23D-06-31370

CABLE,EARTH

SN: 11162-UP

1шт.

21

01435-01016

BOLT

SN: 11162-UP

2шт.

22

01435-01016

BOLT

SN: 11162-UP

1шт.

23

01023-10620

SCREW

SN: 11162-UP

4шт.

24

23B-06-31180

GROMMET

SN: 11162-UP

2шт.

25

23B-06-41520

BRACKET

SN: 11162-UP

1шт.

26

01435-01016

BOLT

SN: 11162-UP

1шт.

27

04434-51010

CLIP

SN: 11162-UP

1шт.

28

23B-06-41719

WIRING HARNESS,TRANSMISSION CONTROL

SN: 11162-UP

1шт.

29

04434-51010

CLIP

SN: 11162-UP

1шт.

30

01435-01016

BOLT

SN: 11162-UP

1шт.

Выбрано товаров: 30