Запчасти Komatsu GD675-3A РЫХЛИТЕЛЬ (С ГИДРАВЛ ВЕНТИЛЯТОР)(№-) РАБОЧЕЕ ОБОРУДОВАНИЕ

Схема запчастей Komatsu GD675-3A - РЫХЛИТЕЛЬ (С ГИДРАВЛ ВЕНТИЛЯТОР)(№-) РАБОЧЕЕ ОБОРУДОВАНИЕ
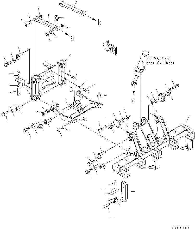
1
2
3
4
5
6
7
7
8
8
9
9
10
10
11
11
12
12
13
14
14
15
15
15
15
16
16
16
16
16
16
16
16
17
18
19
19
19
19
20
20
20
20
21
22
23
24
25
26
27
28
28
29
29
30
31
32
33
34
FIT
1:1
100%

Артикул

Название

Примечание

Количество

1

23B-785-3111

BRACKET

SN: 11162-UP

1шт.

2

23B-785-3122

LINK

SN: 11162-UP

1шт.

3

417-70-11970

PIN

SN: 11162-UP

1шт.

4

07020-00000

FITTING,GREASE

SN: 11162-UP

1шт.

5

01010-81225

BOLT

SN: 11162-UP

1шт.

6

175-54-34170

WASHER

SN: 11162-UP

1шт.

7

23B-785-3231

SUPPORT

SN: 11162-UP

2шт.

8

07144-10603

BUSHING

SN: 11162-UP

2шт.

9

416-09-11120

SEAL,DUST

SN: 11162-UP

4шт.

10

01010-81240

BOLT

SN: 11162-UP

8шт.

11

01643-31232

WASHER

SN: 11162-UP

8шт.

12

07020-00000

FITTING,GREASE

SN: 11162-UP

2шт.

13

23B-70-53110

BRACKET

SN: 11162-UP

1шт.

14

23B-785-3351

ROD

SN: 11162-UP

2шт.

15

416-70-11810

BUSHING

SN: 11162-UP

8шт.

16

416-09-11140

SEAL,DUST

SN: 11162-UP

16шт.

17

07020-00000

FITTING,GREASE

SN: 11162-UP

4шт.

18

07020-00675

FITTING,GREASE

SN: 11162-UP

4шт.

19

01010-81225

BOLT

SN: 11162-UP

8шт.

20

175-54-34170

WASHER

SN: 11162-UP

8шт.

21

01010-82455

BOLT

SN: 11162-UP

4шт.

22

01643-32460

WASHER

SN: 11162-UP

4шт.

23

01010-82060

BOLT

SN: 11162-UP

4шт.

24

01643-32060

WASHER

SN: 11162-UP

4шт.

25

01010-82455

BOLT

SN: 11162-UP

10шт.

26

01643-32460

WASHER

SN: 11162-UP

10шт.

27

419-54-12850

SHIM, 0.5MM

SN: 11162-UP

12шт.

27

419-54-12860

SHIM, 1.6MM

SN: 11162-UP

1шт.

28

23B-785-3141

PIN,BLACK-GRAY

SN: 11162-UP

4шт.

29

23B-785-3150

PIN,NATURAL YELLOW

SN: 11162-UP

4шт.

30

232-785-1291

SHANK

SN: 11162-UP

3шт.

31

234-785-1121

POINT

SN: 11162-UP

3шт.

32

113-78-21170

PIN

SN: 11162-UP

3шт.

33

232-785-1310

PIN

SN: 11162-UP

3шт.

34

04050-10070

PIN,COTTER

SN: 11162-UP

6шт.

Выбрано товаров: 35