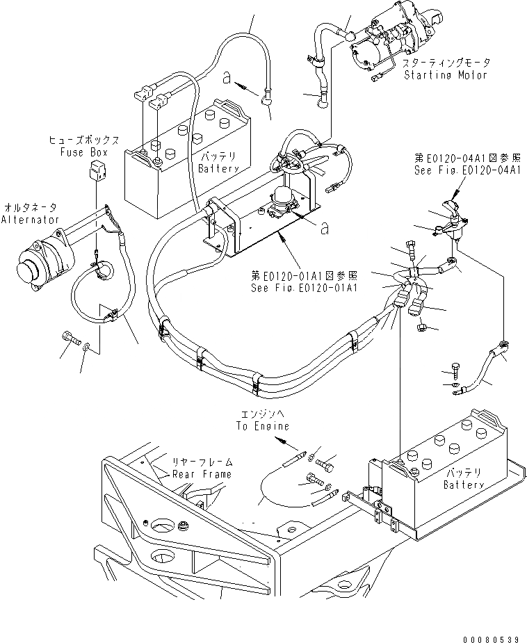
Запчасти Komatsu GD675-3A АККУМУЛЯТОР ЭЛЕКТРОПРОВОДКА (С ГИДРАВЛ ВЕНТИЛЯТОР) (/)(№-) ЭЛЕКТРИКА

Схема запчастей Komatsu GD675-3A - АККУМУЛЯТОР ЭЛЕКТРОПРОВОДКА (С ГИДРАВЛ ВЕНТИЛЯТОР) (/)(№-) ЭЛЕКТРИКА
1
2
3
4
4
5
5
6
6
7
8
9
10
11
12
13
14
14
15
15
16
17
18
19
19
20
21
22
FIT
1:1
100%

Артикул

Название

Примечание

Количество

1

08028-HD080

CABLE

SN: 11162-UP

1шт.

2

08028-ED050

CABLE

SN: 11162-UP

1шт.

3

08028-44030

CABLE

SN: 11162-UP

1шт.

4

11Y-06-11630

CAP

SN: 11162-UP

2шт.

5

04434-53211

CLIP

SN: 11162-UP

2шт.

6

07095-20523

CUSHION

SN: 11162-UP

2шт.

7

01010-81016

BOLT

SN: 11162-UP

1шт.

8

01580-11008

NUT

SN: 11162-UP

1шт.

9

418-06-42610

COVER

SN: 11162-UP

1шт.

10

418-06-42620

CAP

SN: 11162-UP

1шт.

11

01010-81016

BOLT

SN: 11162-UP

1шт.

12

01643-31032

WASHER

SN: 11162-UP

1шт.

13

08028-44045

CABLE

SN: 11162-UP

1шт.

14

01010-81016

BOLT

SN: 11162-UP

2шт.

15

01643-31032

WASHER

SN: 11162-UP

2шт.

16

23B-06-53240

CABLE

SN: 11162-UP

1шт.

17

01010-81220

BOLT

SN: 11162-UP

1шт.

18

01643-31232

WASHER

SN: 11162-UP

1шт.

19

232-06-11960

CAP

SN: 11162-UP

2шт.

20

08038-42511

CAP

SN: 11162-UP

3шт.

21

08038-22511

CAP

SN: 11162-UP

1шт.

22

08038-00035

CAP

SN: 11162-UP

1шт.

Выбрано товаров: 22