Запчасти Komatsu GD675-3A ГИДРОЛИНИЯ ТРАНСМИССИИ (бЛОК. ДИФФЕРЕНЦИАЛА ТИП) (ЕС NOISE REGULATION ARRANGEMENT ) (/)(№-) ТРАНСМИССИЯ

Схема запчастей Komatsu GD675-3A - ГИДРОЛИНИЯ ТРАНСМИССИИ (бЛОК. ДИФФЕРЕНЦИАЛА ТИП) (ЕС NOISE REGULATION ARRANGEMENT ) (/)(№-) ТРАНСМИССИЯ
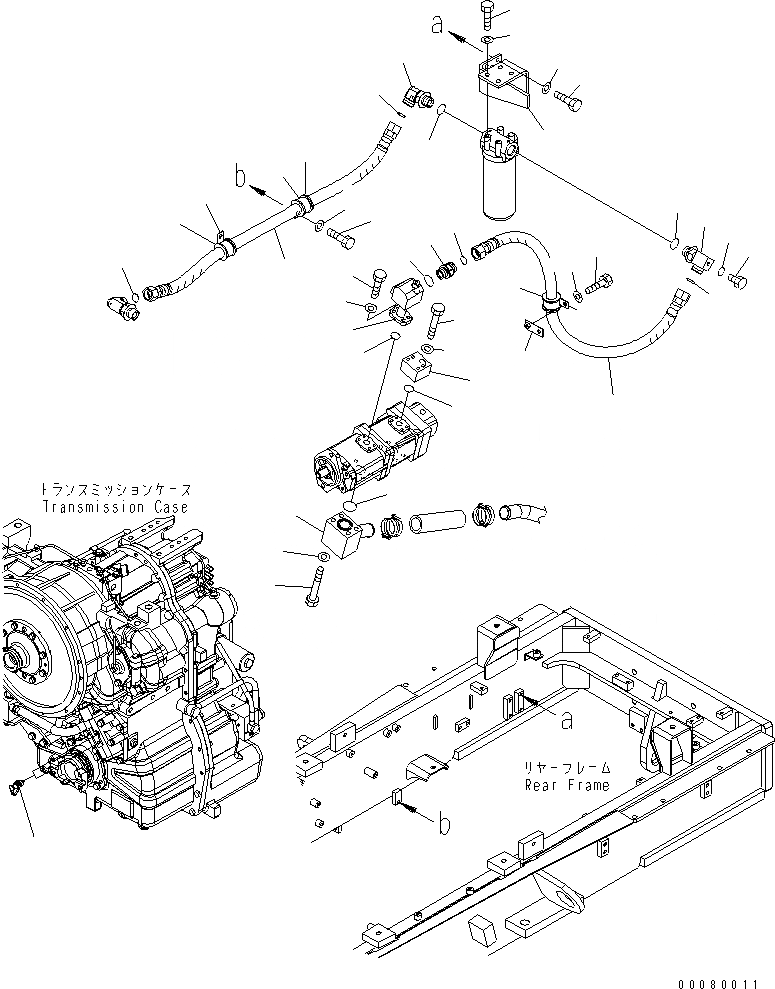
1
2
3
4
5
6
7
8
9
10
11
12
13
14
15
16
17
18
19
20
21
22
22
23
23
24
25
25
26
26
27
28
29
29
30
30
31
32
33
34
35
36
37
FIT
1:1
100%

Артикул

Название

Примечание

Количество

1

23B-16-31411

TUBE

SN: 11162-UP

1шт.

2

01011-81220

BOLT

SN: 11162-UP

4шт.

3

01643-51232

WASHER

SN: 11162-UP

4шт.

4

07000-13042

O-RING

SN: 11162-UP

1шт.

5

23B-16-53260

TUBE

SN: 11162-UP

1шт.

6

01010-80830

BOLT

SN: 11162-UP

4шт.

7

01643-30823

WASHER

SN: 11162-UP

4шт.

8

07000-13028

O-RING

SN: 11162-UP

1шт.

9

20U-62-41720

NIPPLE

SN: 11162-UP

1шт.

10

07002-13334

O-RING

SN: 11162-UP

1шт.

11

23B-16-53191

HOSE, 1270MM

SN: 11162-UP

1шт.

12

23B-60-33240

O-RING

SN: 11162-UP

1шт.

13

419-09-11150

CLIP

SN: 11162-UP

1шт.

14

21T-62-76840

CUSHION

SN: 11162-UP

1шт.

15

01010-81020

BOLT

SN: 11162-UP

1шт.

16

01643-31032

WASHER

SN: 11162-UP

1шт.

17

23B-16-53321

PLATE

SN: 11162-UP

1шт.

18

423-03-31231

ELBOW

SN: 11162-UP

1шт.

19

07040-11007

PLUG

SN: 11162-UP

1шт.

20

07002-11023

O-RING

SN: 11162-UP

1шт.

21

21W-62-42640

ELBOW

SN: 11162-UP

1шт.

22

23B-60-33240

O-RING

SN: 11162-UP

2шт.

23

07002-13334

O-RING

SN: 11162-UP

2шт.

24

23B-16-53131

BRACKET

SN: 11162-UP

1шт.

25

01010-81025

BOLT

SN: 11162-UP

8шт.

26

01643-31032

WASHER

SN: 11162-UP

8шт.

27

23B-16-53161

HOSE, 1160MM

SN: 11162-UP

1шт.

28

23B-60-33240

O-RING

SN: 11162-UP

1шт.

29

419-09-11150

CLIP

SN: 11162-UP

2шт.

30

21T-62-76840

CUSHION

SN: 11162-UP

2шт.

31

01010-81020

BOLT

SN: 11162-UP

2шт.

32

01643-31032

WASHER

SN: 11162-UP

2шт.

33

23B-16-53121

BLOCK

SN: 11162-UP

1шт.

34

07000-13028

O-RING

SN: 11162-UP

1шт.

35

01010-80865

BOLT

SN: 11162-UP

4шт.

36

01643-30823

WASHER

SN: 11162-UP

4шт.

37

799-101-5160

NIPPLE

SN: 11162-UP

2шт.

Выбрано товаров: 37