Запчасти Komatsu GD675-3A ТРАНСМИССИЯ (КРЫШКАAND ЩИТКИ)(№-) ТРАНСМИССИЯ

Схема запчастей Komatsu GD675-3A - ТРАНСМИССИЯ (КРЫШКАAND ЩИТКИ)(№-) ТРАНСМИССИЯ
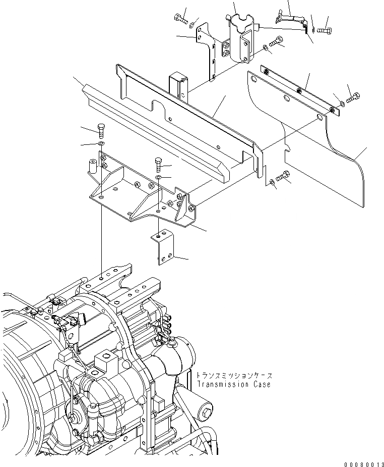
1
2
3
4
5
6
7
8
9
10
11
12
13
14
15
16
17
18
19
20
21
22
23
24
FIT
1:1
100%

Артикул

Название

Примечание

Количество

1

23B-16-53141

BRACKET

SN: 11162-UP

1шт.

2

01010-81225

BOLT

SN: 11162-UP

4шт.

3

01643-31232

WASHER

SN: 11162-UP

4шт.

4

23B-16-53252

COVER

SN: 11162-UP

1шт.

5

01010-81020

BOLT

SN: 11162-UP

3шт.

6

01643-31032

WASHER

SN: 11162-UP

3шт.

7

23B-16-53171

BRACKET

SN: 11162-UP

1шт.

8

01010-81025

BOLT

SN: 11162-UP

2шт.

9

01643-31032

WASHER

SN: 11162-UP

2шт.

10

23B-16-53281

SHEET

SN: 11162-UP

1шт.

11

23B-16-53291

BRACKET (BONDED)

SN: 11162-UP

1шт.

12

01010-81020

BOLT

SN: 11162-UP

3шт.

13

01643-31032

WASHER

SN: 11162-UP

3шт.

14

23B-16-53310

SHEET

SN: 11162-UP

1шт.

15

23B-60-53120

BRACKET

SN: 11162-UP

1шт.

16

01010-81025

BOLT

SN: 11162-UP

2шт.

17

01643-31032

WASHER

SN: 11162-UP

2шт.

18

22W-54-11470

BAND

SN: 11162-UP

1шт.

19

04434-50510

CLIP

SN: 11162-UP

1шт.

20

01010-81020

BOLT

SN: 11162-UP

1шт.

21

01643-31032

WASHER

SN: 11162-UP

1шт.

22

23B-60-53140

PLATE

SN: 11162-UP

1шт.

23

01010-81020

BOLT

SN: 11162-UP

2шт.

24

01643-31032

WASHER

SN: 11162-UP

2шт.

Выбрано товаров: 24