Запчасти Komatsu GD675-3A КРЕПЛЕНИЕ КОНТРОЛЬНОГО КЛАПАНА (ЕС NOISE REGULATION ARRANGEMENT )(№-) ТРАНСМИССИЯ

Схема запчастей Komatsu GD675-3A - КРЕПЛЕНИЕ КОНТРОЛЬНОГО КЛАПАНА (ЕС NOISE REGULATION ARRANGEMENT )(№-) ТРАНСМИССИЯ
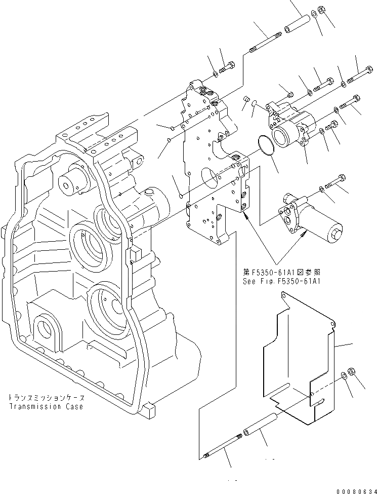
1
2
3
4
5
6
7
8
9
10
11
12
13
14
15
16
17
18
19
20
21
22
22
23
23
24
25
26
27
FIT
1:1
100%

Артикул

Название

Примечание

Количество

|$1

23B-13-53000

TRANSMISSION ASS'Y,NOISE SUPPRESSION SPEC. FOR EU

SN: 11162-UP

1шт.

|$$2

THIS ASSEMBLY CONSISTS OF ALL PARTS SHOWN IN FIGS.F5350-51A1 TO F5350-70A1.

-1шт.

1

714-23-15810

RETAINER

SN: 11162-UP

1шт.

2

07000-72015

O-RING

SN: 11162-UP

2шт.

3

07043-70211

PLUG

SN: 11162-UP

2шт.

4

01010-81075

BOLT

SN: 11162-UP

1шт.

5

01643-31032

WASHER

SN: 11162-UP

1шт.

6

01010-81035

BOLT

SN: 11162-UP

1шт.

7

01643-31032

WASHER

SN: 11162-UP

1шт.

8

01010-81055

BOLT

SN: 11162-UP

8шт.

9

01643-31032

WASHER

SN: 11162-UP

8шт.

10

01011-81020

BOLT

SN: 11162-UP

2шт.

11

01643-31032

WASHER

SN: 11162-UP

2шт.

12

01010-81075

BOLT

SN: 11162-UP

1шт.

13

01643-31032

WASHER

SN: 11162-UP

1шт.

14

01011-81015

BOLT

SN: 11162-UP

1шт.

15

01643-31032

WASHER

SN: 11162-UP

1шт.

16

07000-72065

O-RING

SN: 11162-UP

1шт.

17

714-23-25820

COVER

SN: 11162-UP

1шт.

18

714-23-25940

STUD

SN: 11162-UP

3шт.

19

6218-21-7280

SPACER

SN: 11162-UP

3шт.

20

425-15-25880

STUD

SN: 11162-UP

1шт.

21

195-01-16420

COLLAR

SN: 11162-UP

1шт.

22

01580-01008

NUT

SN: 11162-UP

4шт.

23

01643-31032

WASHER

SN: 11162-UP

4шт.

24

07000-72015

O-RING

SN: 11162-UP

8шт.

25

07000-71009

O-RING

SN: 11162-UP

11шт.

26

07000-72022

O-RING

SN: 11162-UP

1шт.

27

07049-01012

PLUG

SN: 11162-UP

5шт.

Выбрано товаров: 29