Запчасти Komatsu GD675-3A ОСНОВН. ТРУБЫ (СОЕДИН-Е¤ ДЛЯ ГРУПП. УПРАВЛЯЮЩ. КЛАПАН) ГИДРАВЛИКА

Схема запчастей Komatsu GD675-3A - ОСНОВН. ТРУБЫ (СОЕДИН-Е¤ ДЛЯ ГРУПП. УПРАВЛЯЮЩ. КЛАПАН) ГИДРАВЛИКА
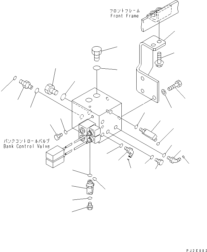
1
2
3
4
5
6
7
8
9
10
11
12
13
14
15
16
17
18
19
20
21
22
23
24
25
26
27
28
29
FIT
1:1
100%

Артикул

Название

Примечание

Количество

1

11Y-62-12270

ELBOW

SN: 10001-UP

1шт.

2

07002-11423

O-RING

SN: 10001-UP

1шт.

3

02896-11008

O-RING

SN: 10001-UP

1шт.

4

02782-10210

ELBOW

SN: 10001-UP

1шт.

5

07002-11423

O-RING

SN: 10001-UP

1шт.

6

02896-11008

O-RING

SN: 10001-UP

1шт.

7

02781-00315

UNION

SN: 10001-UP

1шт.

8

07002-12034

O-RING

SN: 10001-UP

1шт.

9

02896-11009

O-RING

SN: 10001-UP

1шт.

10

07040-11409

PLUG

SN: 10001-UP

1шт.

11

07002-11423

O-RING

SN: 10001-UP

1шт.

12

23B-60-41330

ELBOW

SN: 10001-UP

1шт.

13

07002-11423

O-RING

SN: 10001-UP

1шт.

14

07000-12011

O-RING

SN: 10001-UP

1шт.

15

07040-11007

PLUG

SN: 10001-UP

1шт.

16

07002-11023

O-RING

SN: 10001-UP

1шт.

17

07040-11007

PLUG

SN: 10001-UP

1шт.

18

07002-11023

O-RING

SN: 10001-UP

1шт.

19

02782-10210

ELBOW

SN: 10001-UP

2шт.

20

07002-11423

O-RING

SN: 10001-UP

2шт.

21

02896-11008

O-RING

SN: 10001-UP

2шт.

22

07040-12012

PLUG

SN: 10001-UP

1шт.

23

07002-12034

O-RING

SN: 10001-UP

1шт.

24

07040-12012

PLUG

SN: 10001-UP

1шт.

25

07002-12034

O-RING

SN: 10001-UP

1шт.

26

23B-43-42511

BRACKET

SN: 10001-UP

1шт.

27

01010-81230

BOLT

SN: 10001-UP

3шт.

28

01643-31232

WASHER

SN: 10001-UP

3шт.

29

01435-01230

BOLT

SN: 10001-UP

2шт.

Выбрано товаров: 29