Запчасти Komatsu GD675-3A СОЕДИН-Е (ДЛЯ ПОЛ Э/ПРОВОДКА) (С ОТВАЛ ПЛАВАЮЩ) КАБИНА ОПЕРАТОРА И СИСТЕМА УПРАВЛЕНИЯ

Схема запчастей Komatsu GD675-3A - СОЕДИН-Е (ДЛЯ ПОЛ Э/ПРОВОДКА) (С ОТВАЛ ПЛАВАЮЩ) КАБИНА ОПЕРАТОРА И СИСТЕМА УПРАВЛЕНИЯ
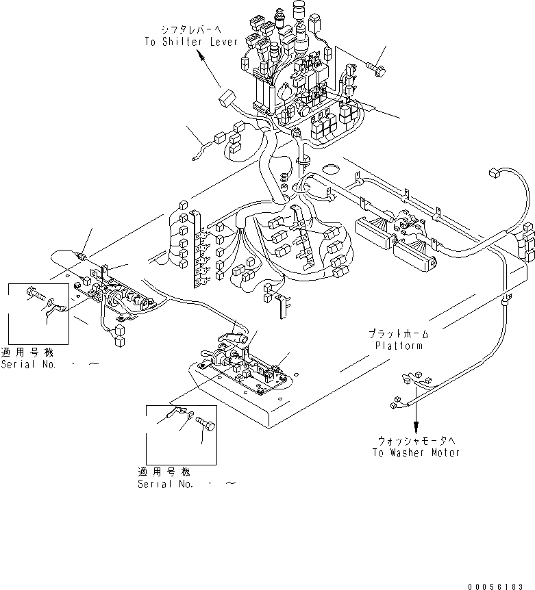
1
2
2
3
4
5
6
7
8
9
10
11
12
13
FIT
1:1
100%

Артикул

Название

Примечание

Количество

1

23B-06-41861

CONNECTOR,SHORT

SN: 10001-UP

1шт.

2

23B-06-42620

SENSOR

SN: 10001-UP

2шт.

3

569-06-61960

RELAY

SN: 10001-UP

2шт.

4

01435-00608

BOLT

SN: 10001-UP

2шт.

5

23B-43-35760

LEVER

SN: 10001-UP

2шт.

6

23B-43-35574

BRACKET,L.H.

SN: 10001-UP

1шт.

7

23B-43-35584

BRACKET,R.H.

SN: 10001-UP

1шт.

8

23B-43-35770

PLATE

SN: .-UP

1шт.

9

01010-80610

BOLT

SN: .-UP

2шт.

10

01643-30623

WASHER

SN: .-UP

2шт.

11

23B-43-35770

PLATE

SN: .-UP

1шт.

12

01010-80610

BOLT

SN: .-UP

2шт.

13

01643-30623

WASHER

SN: .-UP

2шт.

Выбрано товаров: 0