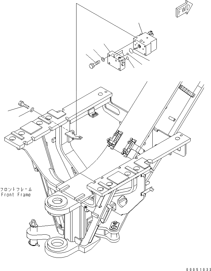
Запчасти Komatsu GD675-3E0 РУЛЕВ. УПРАВЛЕНИЕ ЛИНИЯ (ПРИОРИТЕТН. КЛАПАН) ГИДРАВЛИКА

Схема запчастей Komatsu GD675-3E0 - РУЛЕВ. УПРАВЛЕНИЕ ЛИНИЯ (ПРИОРИТЕТН. КЛАПАН) ГИДРАВЛИКА
1
2
3
4
5
6
7
8
9
FIT
1:1
100%

Артикул

Название

Примечание

Количество

1

23B-40-42100

PRIORITY VALVE ASS'Y

SN: 51301-UP

1шт.

2

07000-13038

O-RING

SN: 51301-UP

1шт.

3

07000-12022

O-RING

SN: 51301-UP

1шт.

4

07000-12014

O-RING

SN: 51301-UP

3шт.

5

01010-81275

BOLT

SN: 51301-UP

4шт.

6

01643-31232

WASHER

SN: 51301-UP

4шт.

7

23B-40-44101

VALVE ASS'Y

SN: 51301-UP

1шт.

8

01010-81230

BOLT

SN: 51301-UP

3шт.

9

01643-31232

WASHER

SN: 51301-UP

3шт.

Выбрано товаров: 9