Запчасти Komatsu GD675-3E0 РАДИАТОР (БОЛЬШ. ТИП) (/) СИСТЕМА ОХЛАЖДЕНИЯ

Схема запчастей Komatsu GD675-3E0 - РАДИАТОР (БОЛЬШ. ТИП) (/) СИСТЕМА ОХЛАЖДЕНИЯ
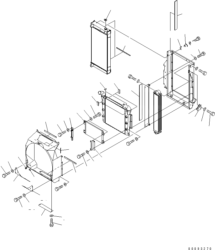
1
2
3
4
5
6
6
7
7
8
9
10
11
12
13
14
15
16
17
18
19
19
20
21
21
22
23
24
25
26
27
28
28
29
29
30
31
32
FIT
1:1
100%

Артикул

Название

Примечание

Количество

|$2

23B-03-67101

RADIATOR ASS'Y

SN: 51301-UP

1шт.

1

23B-03-61491

PLATE

SN: 51301-UP

1шт.

2

01010-81030

BOLT

SN: 51301-UP

2шт.

3

01643-31032

WASHER

SN: 51301-UP

2шт.

4

23B-03-61511

BRACKET

SN: 51301-UP

1шт.

5

23B-03-61521

BRACKET

SN: 51301-UP

1шт.

6

01010-81225

BOLT

SN: 51301-UP

4шт.

7

01643-31232

WASHER

SN: 51301-UP

4шт.

8

56E-07-21133

CONDENSER ASS'Y

SN: 51301-UP

1шт.

9

01010-80820

BOLT

SN: 51301-UP

4шт.

10

01643-30823

WASHER

SN: 51301-UP

4шт.

11

23B-03-61531

SEAL

SN: 51301-UP

2шт.

12

23B-03-61541

SEAL

SN: 51301-UP

2шт.

13

23B-03-61551

SEAL

SN: 51301-UP

2шт.

14

01010-81020

BOLT

SN: 51301-UP

2шт.

15

01643-31032

WASHER

SN: 51301-UP

2шт.

16

23B-03-67270

SEAL,BONDED

SN: 51301-UP

2шт.

17

23B-03-67180

SEAL,BONDED

SN: 51301-UP

1шт.

18

23B-03-67190

SEAL,BONDED

SN: 51301-UP

1шт.

19

23B-03-61591

SEAL

SN: 51301-UP

2шт.

20

20U-03-21540

CAP

SN: 51301-UP

1шт.

21

08037-02512

GROMMET

SN: 51301-UP

2шт.

22

22U-03-22860

CUSHION

SN: 51301-UP

2шт.

23

6738-61-4952

COLLAR

SN: 51301-UP

2шт.

24

23B-03-67360

SHEET,BONDED

SN: 51301-UP

1шт.

25

23B-03-67370

SHEET,BONDED

SN: 51301-UP

1шт.

26

23B-03-67330

COVER

SN: 51301-UP

1шт.

27

23B-03-67340

COVER

SN: 51301-UP

1шт.

28

01010-81020

BOLT

SN: 51301-UP

8шт.

29

01643-31032

WASHER

SN: 51301-UP

8шт.

30

23B-03-67350

PLATE

SN: 51301-UP

1шт.

31

01010-80816

BOLT

SN: 51301-UP

2шт.

32

01643-30823

WASHER

SN: 51301-UP

2шт.

Выбрано товаров: 33