Запчасти Komatsu GD675-3E0 KOMTRAX (Э/ПРОВОДКА) КАБИНА ОПЕРАТОРА И СИСТЕМА УПРАВЛЕНИЯ

Схема запчастей Komatsu GD675-3E0 - KOMTRAX (Э/ПРОВОДКА) КАБИНА ОПЕРАТОРА И СИСТЕМА УПРАВЛЕНИЯ
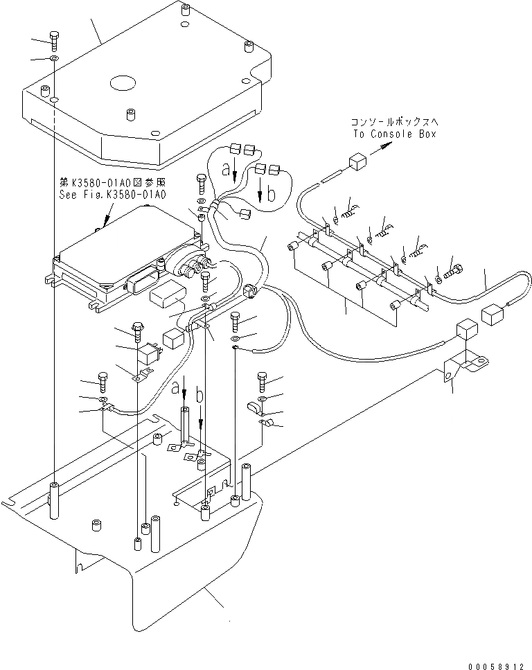
1
2
3
4
5
6
7
8
9
10
11
12
13
14
15
15
15
15
16
16
16
17
17
17
18
19
20
21
21
22
23
24
25
26
27
28
29
30
FIT
1:1
100%

Артикул

Название

Примечание

Количество

1

23B-06-61610

PLATE

SN: 51301-UP

1шт.

2

23B-06-61630

COVER

SN: 51301-UP

1шт.

3

01010-80816

BOLT

SN: 51301-UP

4шт.

4

01643-30823

WASHER

SN: 51301-UP

4шт.

5

23B-06-61381

WIRING HARNESS

SN: 51301-UP

1шт.

5

21J-06-13661

DIODE

SN: 51301-UP

1шт.

6

04434-51408

CLIP

SN: 51301-UP

1шт.

7

01010-80816

BOLT

SN: 51301-UP

1шт.

8

01643-30823

WASHER

SN: 51301-UP

1шт.

9

569-06-61960

RELAY

SN: 51301-UP

1шт.

10

287-06-16420

BRACKET

SN: 51301-UP

1шт.

11

01435-00608

BOLT

SN: 51301-UP

1шт.

12

23B-06-61620

WIRING HARNESS

SN: 51301-UP

1шт.

13

23B-06-46750

BRACKET

SN: 51301-UP

1шт.

14

144-874-7470

BOSS

SN: 51301-UP

4шт.

15

04434-51410

CLIP

SN: 51301-UP

4шт.

16

01010-81045

BOLT

SN: 51301-UP

3шт.

17

01643-31032

WASHER

SN: 51301-UP

3шт.

18

01010-81080

BOLT

SN: 51301-UP

1шт.

19

01643-31032

WASHER

SN: 51301-UP

1шт.

20

04434-51008

CLIP

SN: 51301-UP

1шт.

21

04434-50508

CLIP

SN: 51301-UP

2шт.

22

01010-80812

BOLT

SN: 51301-UP

1шт.

23

01643-30823

WASHER

SN: 51301-UP

1шт.

24

01010-80816

BOLT

SN: 51301-UP

1шт.

25

01643-30823

WASHER

SN: 51301-UP

1шт.

26

04435-51008

CLIP

SN: 51301-UP

1шт.

27

416-904-1370

SPACER

SN: 51301-UP

1шт.

28

04434-51708

CLIP

SN: 51301-UP

1шт.

29

01010-80812

BOLT

SN: 51301-UP

1шт.

30

01643-30823

WASHER

SN: 51301-UP

1шт.

Выбрано товаров: 31