Запчасти Komatsu SAA6D114E-3BB-W СТАРТЕР КОМПОНЕНТЫ(№88-) ДВИГАТЕЛЬ

Схема запчастей Komatsu SAA6D114E-3BB-W - СТАРТЕР КОМПОНЕНТЫ(№88-) ДВИГАТЕЛЬ
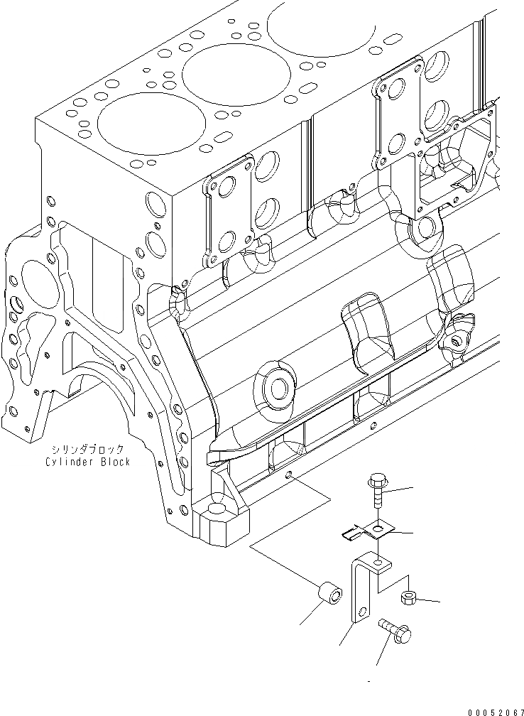
1
2
3
4
5
6
1
2
3
4
5
6
FIT
1:1
100%

Артикул

Название

Примечание

Количество

1

6631-11-5630

SPACER

SN: 26850852-UP

1шт.

2

6206-11-5930

BRACKET

SN: 26850852-UP

1шт.

3

01435-00835

BOLT

SN: 26850852-UP

1шт.

4

08193-20010

CLIP

SN: 26850852-UP

1шт.

5

01435-00814

BOLT

SN: 26850852-UP

1шт.

6

01580-00806

NUT

SN: 26850852-UP

1шт.

1

6631-11-5630

SPACER

SN: 26850852-UP

1шт.

2

6206-11-5930

BRACKET

SN: 26850852-UP

1шт.

3

01435-00835

BOLT

SN: 26850852-UP

1шт.

4

08193-20010

CLIP

SN: 26850852-UP

1шт.

5

01435-00814

BOLT

SN: 26850852-UP

1шт.

6

01580-00806

NUT

SN: 26850852-UP

1шт.

Выбрано товаров: 0