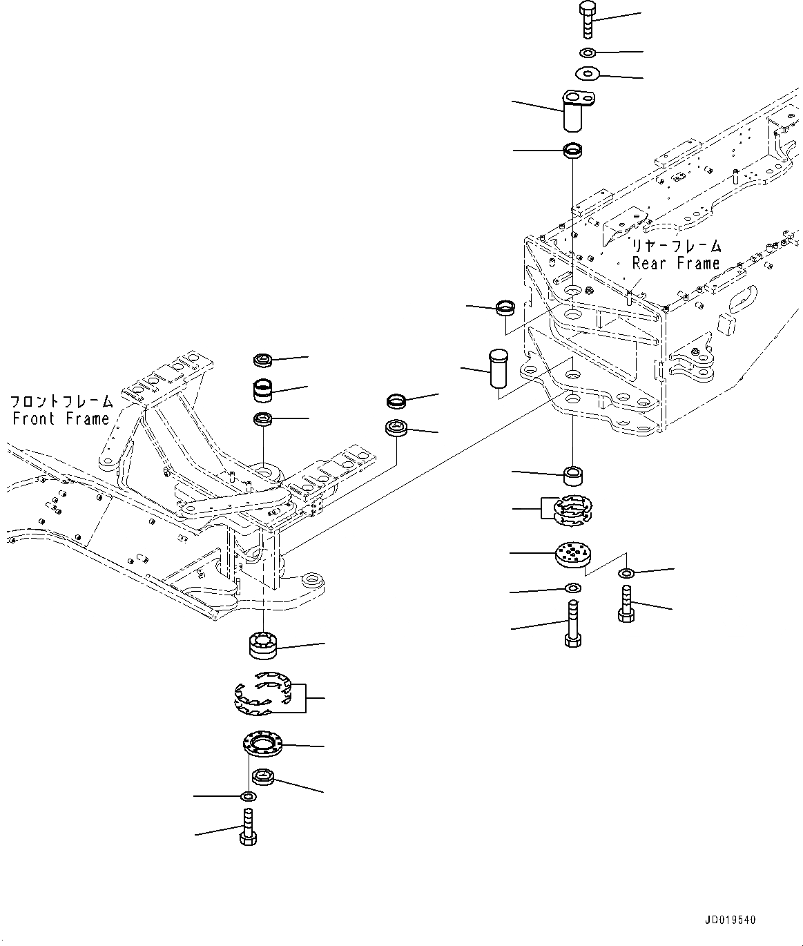
Запчасти Komatsu GD675-5 ПАЛЕЦ(№-) HINGE ПАЛЕЦ

Схема запчастей Komatsu GD675-5 - ПАЛЕЦ(№-) HINGE ПАЛЕЦ
8
5
4
3
1
2
7
9
7
2
17
16
15
14
13
12
11
6
10
18
20
21
19
19
22
FIT
1:1
100%

Артикул

Название

Примечание

Количество

1

421-46-11710

Retainer

SN: 55001-UP

1шт.

2

421-09-11310

Seal, Dust

SN: 55001-UP

2шт.

3

421-46-11372

Shim, T=0.1mm

SN: 55507-UP

20шт.

3

421-46-11371

Shim, T=0.1mm

SN: 55001-55506

20шт.

|$4

421-46-11382

Shim, T=0.5mm

SN: 55507-UP

20шт.

|$5

421-46-11381

Shim, T=0.5mm

SN: 55001-55506

20шт.

4

01010-81240

Bolt

SN: 55001-UP

10шт.

5

01643-31232

Washer

SN: 55001-UP

10шт.

6

424-46-11171

Spacer

SN: 55001-UP

1шт.

7

419-09-11110

Seal, Dust

SN: 55001-UP

2шт.

8

421-46-11361

Bearing

SN: 55001-UP

1шт.

9

419-70-11820

Bushing

SN: 55001-UP

1шт.

10

424-46-11182

Pin

SN: 55001-UP

1шт.

11

424-46-11160

Spacer

SN: 55001-UP

1шт.

12

23B-46-33110

Cover

SN: 55001-UP

1шт.

13

23B-46-33120

Shim, T=0.2mm

SN: 55001-UP

10шт.

13

23B-46-33130

Shim, T=0.5mm

SN: 55001-UP

8шт.

|$17

23B-46-33160

Shim, T=1.0mm

SN: 55001-UP

4шт.

14

01010-81250

Bolt

SN: 55001-UP

6шт.

15

01643-31232

Washer

SN: 55001-UP

6шт.

16

01010-61695

Bolt

SN: 55001-UP

4шт.

17

01643-31645

Washer

SN: 55001-UP

4шт.

18

23B-46-33150

Shaft

SN: 55001-UP

1шт.

19

23B-46-33140

Bushing

SN: 55001-UP

2шт.

20

01010-81625

Bolt

SN: 55001-UP

1шт.

21

421-70-11280

Washer

SN: 55001-UP

1шт.

22

01643-31645

Washer

SN: 55001-UP

1шт.

Выбрано товаров: 27