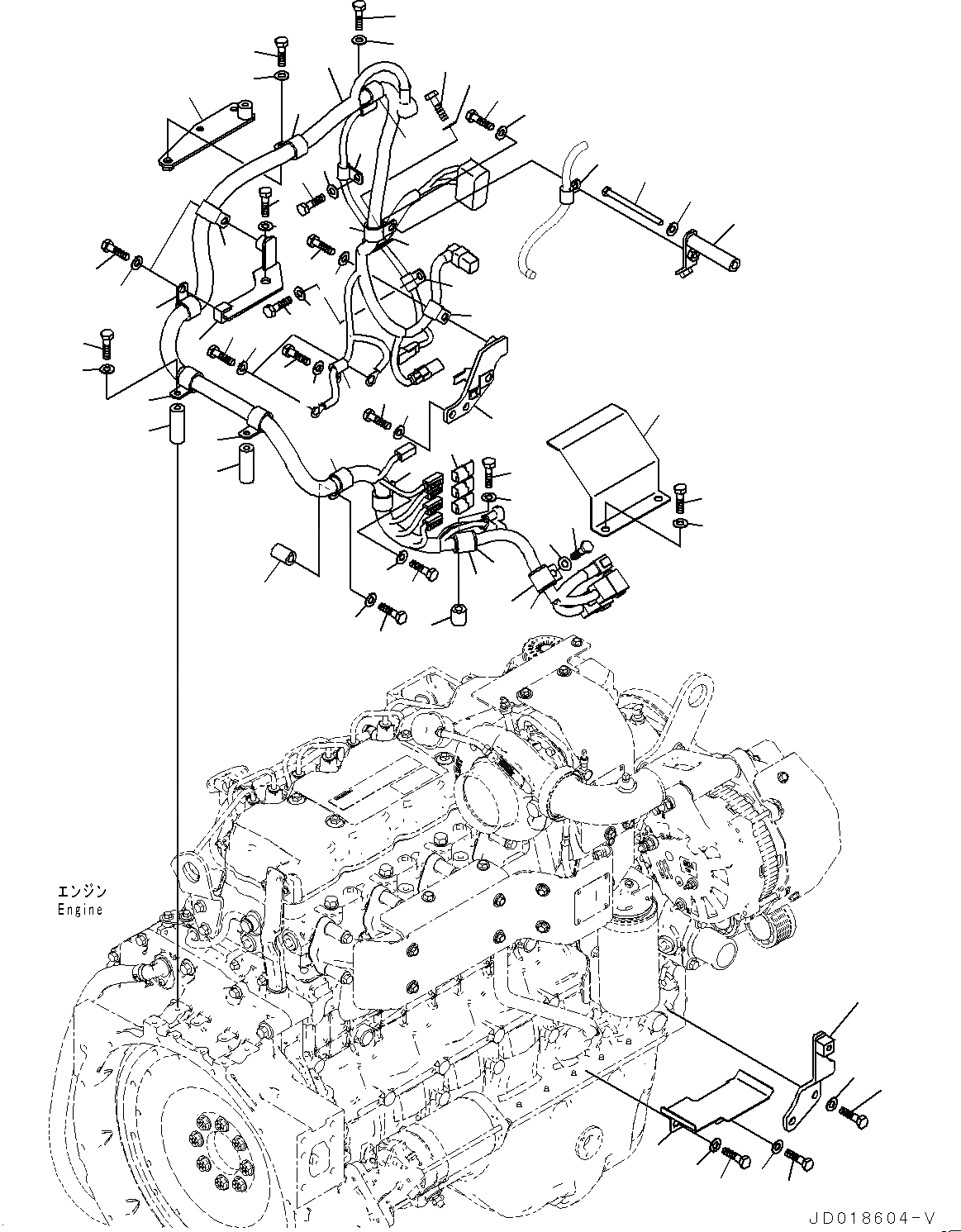
Запчасти Komatsu GD675-5 ЗАДН. ПРОВОДКА, ПРОВОДКА, ДВИГАТЕЛЬ (№-) ЗАДН. ПРОВОДКА

Схема запчастей Komatsu GD675-5 - ЗАДН. ПРОВОДКА, ПРОВОДКА, ДВИГАТЕЛЬ (№-) ЗАДН. ПРОВОДКА
2
6
7
1
3
5
4
8
11
13
12
14
15
17
18
19
21
22
22
23
24
24
23
25
25
26
26
26
27
31
27
28
29
29
28
30
32
33
36
35
35
37
39
43
41
41
42
42
44
46
48
50
49
53
51
52
53
54
56
59
57
61
62
9
10
16
20
34
38
40
45
47
55
63
60
58
FIT
1:1
100%

Артикул

Название

Примечание

Количество

1

23B-06-71230

Wiring Harness

SN: 55001-UP

1шт.

2

21J-06-13661

Diode

SN: 55001-UP

3шт.

3

423-06-42540

Bracket

SN: 55001-UP

1шт.

4

6132-11-4690

Bolt

SN: 55001-UP

1шт.

5

01643-30823

Washer

SN: 55001-UP

1шт.

6

01010-81220

Bolt

SN: 55001-UP

2шт.

7

01643-31232

Washer

SN: 55001-UP

2шт.

8

600-051-2100

Clip

SN: 55001-UP

1шт.

9

01010-81016

Bolt

SN: 55001-UP

1шт.

10

01643-31032

Washer

SN: 55001-UP

1шт.

11

423-06-42530

Plate

SN: 55001-UP

1шт.

12

01010-81025

Bolt

SN: 55001-UP

2шт.

13

01643-31032

Washer

SN: 55001-UP

2шт.

14

600-051-2140

Clip

SN: 55001-UP

1шт.

15

01010-81020

Bolt

SN: 55001-UP

1шт.

16

01643-31032

Washer

SN: 55001-UP

1шт.

17

423-06-42560

Plate

SN: 55001-UP

1шт.

18

23B-06-71770

Bracket

SN: 55001-UP

1шт.

19

01010-81230

Bolt

SN: 55061-UP

1шт.

19

01010-81220

Bolt

SN: 55001-55060

1шт.

20

01643-31232

Washer

SN: 55001-UP

1шт.

21

600-051-2120

Clip

SN: 55001-UP

1шт.

22

600-051-2200

Clip

SN: 55001-UP

2шт.

23

01010-81020

Bolt

SN: 55001-UP

2шт.

24

01643-31032

Washer

SN: 55001-UP

2шт.

25

23B-06-71820

Spacer

SN: 55001-UP

2шт.

26

600-051-2240

Clip

SN: 55001-UP

3шт.

27

600-051-1240

Clip

SN: 55001-UP

2шт.

28

01010-81020

Bolt

SN: 55001-UP

3шт.

29

01643-31032

Washer

SN: 55001-UP

3шт.

30

01010-80880

Bolt

SN: 55001-UP

2шт.

31

01643-30823

Washer

SN: 55001-UP

2шт.

32

600-051-2180

Clip

SN: 55001-UP

1шт.

33

01010-81020

Bolt

SN: 55001-UP

1шт.

34

01643-31032

Washer

SN: 55001-UP

1шт.

35

600-051-2240

Clip

SN: 55001-UP

2шт.

36

23B-06-61810

Spacer

SN: 55001-UP

1шт.

37

01010-81050

Bolt

SN: 55001-UP

1шт.

38

01643-31032

Washer

SN: 55001-UP

1шт.

39

01010-81020

Bolt

SN: 55001-UP

1шт.

40

01643-31032

Washer

SN: 55001-UP

1шт.

41

04434-52511

Clip

SN: 55001-UP

2шт.

42

07095-20318

Cushion

SN: 55001-UP

2шт.

43

21W-01-41320

Spacer

SN: 55001-UP

1шт.

44

01010-81045

Bolt

SN: 55001-UP

1шт.

45

01643-31032

Washer

SN: 55001-UP

1шт.

46

01010-81020

Bolt

SN: 55001-UP

1шт.

47

01643-31032

Washer

SN: 55001-UP

1шт.

48

423-06-42570

Plate

SN: 55001-UP

1шт.

49

01010-81025

Bolt

SN: 55001-UP

2шт.

50

01643-31032

Washer

SN: 55001-UP

2шт.

51

01010-81016

Bolt

SN: 55001-UP

1шт.

52

01643-31032

Washer

SN: 55001-UP

1шт.

53

600-051-2100

Clip

SN: 55001-UP

2шт.

54

01010-81020

Bolt

SN: 55001-UP

1шт.

55

01643-31032

Washer

SN: 55001-UP

1шт.

56

23B-06-71790

Cover

SN: 55001-UP

1шт.

57

01010-81020

Bolt

SN: 55001-UP

1шт.

58

01643-31032

Washer

SN: 55001-UP

1шт.

59

01010-81025

Bolt

SN: 55001-UP

1шт.

60

01643-31032

Washer

SN: 55001-UP

1шт.

61

23B-06-71840

Plate

SN: 55001-UP

1шт.

62

01010-81016

Bolt

SN: 55001-UP

2шт.

63

01643-31032

Washer

SN: 55001-UP

2шт.

Выбрано товаров: 64