Запчасти Komatsu GD675-5 ОСНОВН. КОНСТРУКЦИЯ, КОМПОНЕНТЫ КОНДИЦИОНЕРА (№98-) ОСНОВН. КОНСТРУКЦИЯ, С СЕКЦ. КЛАПАН, БЕЗ KOMTRAX

Схема запчастей Komatsu GD675-5 - ОСНОВН. КОНСТРУКЦИЯ, КОМПОНЕНТЫ КОНДИЦИОНЕРА (№98-) ОСНОВН. КОНСТРУКЦИЯ, С СЕКЦ. КЛАПАН, БЕЗ KOMTRAX
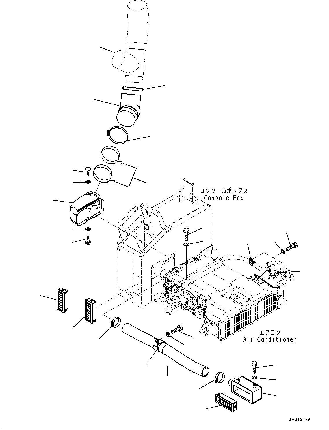
1
2
3
5
4
6
9
10
11
12
13
14
15
16
17
5
4
10
17
17
22
18
19
20
18
18
7
8
21
FIT
1:1
100%

Артикул

Название

Примечание

Количество

1

01010-80820

Bolt

SN: 55001-UP

4шт.

2

01643-30823

Washer

SN: 55001-UP

4шт.

3

21T-979-4380

Duct

SN: 55001-UP

1шт.

4

01640-20508

Washer

SN: 55001-UP

2шт.

5

01370-00512

Screw

SN: 55001-UP

2шт.

6

23B-07-74470

Hose

SN: 55498-UP

1шт.

7

23B-07-74440

Clamp

SN: 55498-UP

1шт.

8

07281-01159

Clamp

SN: 55498-UP

1шт.

9

23B-07-74130

Hose

SN: 55001-UP

1шт.

10

07281-00609

Clamp

SN: 55001-UP

2шт.

11

23S-56-21150

Clip

SN: 55001-UP

1шт.

12

01010-81020

Bolt

SN: 55001-UP

1шт.

13

01643-31032

Washer

SN: 55001-UP

1шт.

14

23B-07-74160

Duct

SN: 55001-UP

1шт.

15

01010-80816

Bolt

SN: 55001-UP

2шт.

16

01643-30823

Washer

SN: 55001-UP

2шт.

17

421-07-23870

Grille

SN: 55001-UP

3шт.

18

04434-51910

Clip

SN: 55001-UP

3шт.

19

01010-81020

Bolt

SN: 55001-UP

2шт.

20

01643-31032

Washer

SN: 55001-UP

2шт.

21

08034-20536

Band

SN: 55146-UP

2шт.

22

23B-07-74431

Pipe

SN: UP

-1шт.

Выбрано товаров: 22