Запчасти Komatsu GD675-5 ОСНОВН. КОНСТРУКЦИЯ, КОНСОЛЬ COVER, ПРАВ. (№77-97) ОСНОВН. КОНСТРУКЦИЯ, С 9 СЕКЦ. КЛАПАН, БЕЗ KOMTRAX

Схема запчастей Komatsu GD675-5 - ОСНОВН. КОНСТРУКЦИЯ, КОНСОЛЬ COVER, ПРАВ. (№77-97) ОСНОВН. КОНСТРУКЦИЯ, С 9 СЕКЦ. КЛАПАН, БЕЗ KOMTRAX
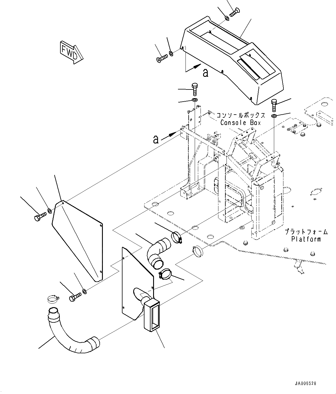
1
2
3
4
5
6
7
8
9
10
11
12
13
14
6
8
7
3
2
FIT
1:1
100%

Артикул

Название

Примечание

Количество

1

23B-43-61150

Cover

SN: 55001-@

1шт.

2

23S-55-51970

Washer

SN: 55001-@

6шт.

3

01225-70616

Screw, Philips Head

SN: 55001-@

6шт.

4

23A-952-8741

Hose

SN: 55137-55497

1шт.

4

23A-952-8740

Hose

SN: 55001-55136

1шт.

5

23A-952-8750

Hose

SN: 55001-@

1шт.

6

07281-00549

Clamp

SN: 55001-55497

2шт.

7

01010-81025

Bolt

SN: 55001-@

5шт.

8

01643-31032

Washer

SN: 55001-@

5шт.

9

23B-54-74540

Plate

SN: 55498-@

1шт.

9

23B-54-72180

Plate

SN: 55001-55497

1шт.

10

01010-80616

Bolt

SN: 55001-@

3шт.

11

01643-30623

Washer

SN: 55001-@

3шт.

12

23B-54-72231

Cover

SN: 55077-@

1шт.

13

01010-80616

Bolt

SN: 55001-@

4шт.

14

01643-30623

Washer

SN: 55001-@

4шт.

Выбрано товаров: 16