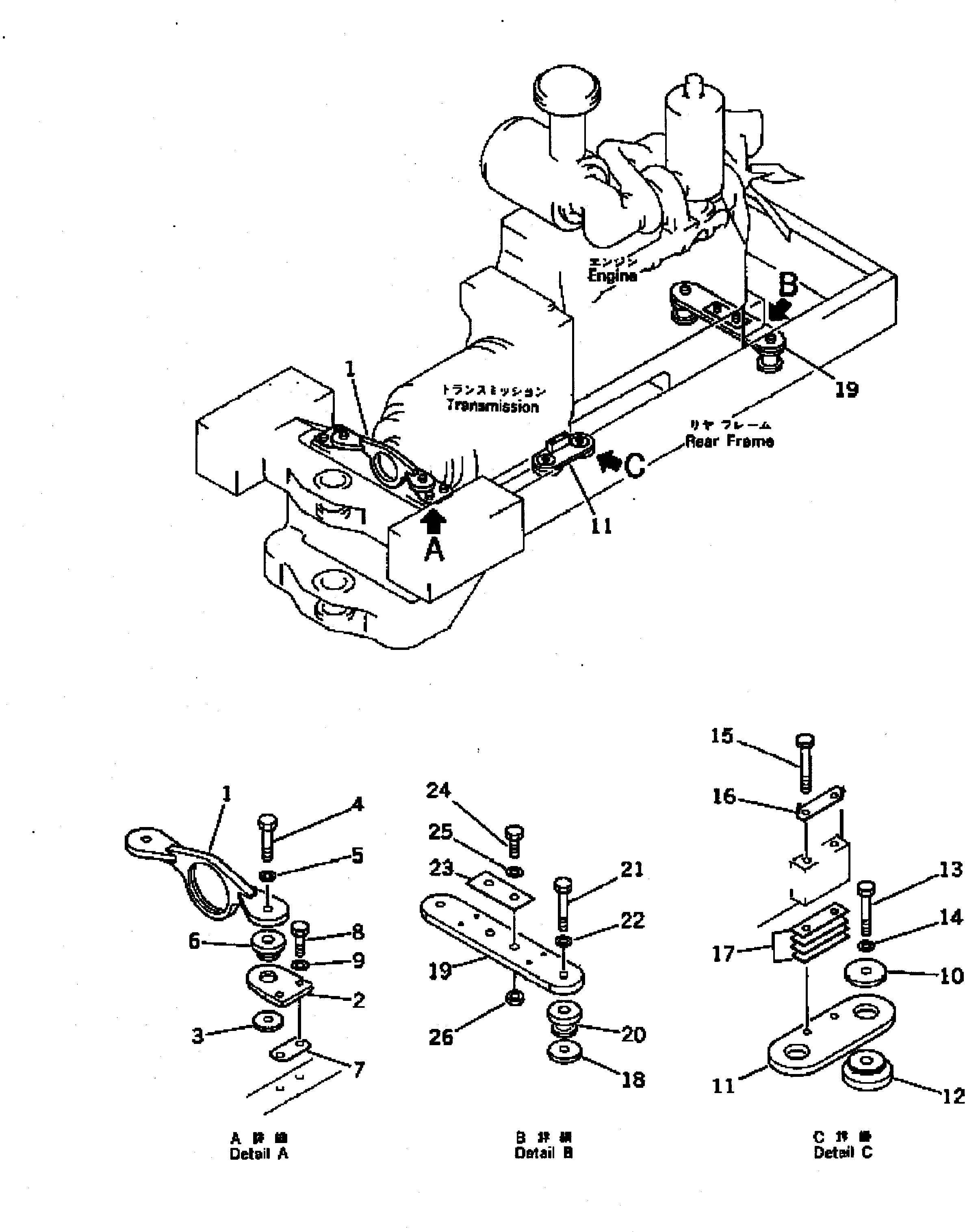
Запчасти Komatsu GD705A-3A ДВИГАТЕЛЬ И ЧАСТИ КРЕПЛЕНИЯ ТРАНСМИССИИ КОМПОНЕНТЫ ДВИГАТЕЛЯ И ЭЛЕКТРИКА

Схема запчастей Komatsu GD705A-3A - ДВИГАТЕЛЬ И ЧАСТИ КРЕПЛЕНИЯ ТРАНСМИССИИ КОМПОНЕНТЫ ДВИГАТЕЛЯ И ЭЛЕКТРИКА
FIT
1:1
100%

Артикул

Название

Примечание

Количество

1

234-01-31110

BRACKET

SN: 10002-UP

1шт.

2

234-01-31120

PLATE

SN: 10002-UP

2шт.

3

234-01-31130

PLATE

SN: 10002-UP

2шт.

4

01011-51815

BOLT

SN: 10002-UP

2шт.

5

01643-31845

WASHER

SN: 10002-UP

2шт.

6

287-01-18340

CUSHION

SN: 10002-UP

2шт.

7

232-14-00410

SHIM ASS'Y

SN: 10002-UP

1шт.

|7

0

SHIM¤ 0.2MM

SN: 10002-UP

20шт.

|7

0

SHIM¤ 0.5MM

SN: 10002-UP

8шт.

|7

0

SHIM¤ 1.0MM

SN: 10002-UP

4шт.

8

01010-51660

BOLT

SN: 10002-UP

4шт.

9

01643-31645

WASHER

SN: 10002-UP

4шт.

10

262-01-12210

PLATE

SN: 10002-UP

4шт.

11

234-01-31140

PLATE

SN: 10002-UP

2шт.

12

287-01-18340

CUSHION

SN: 10002-UP

4шт.

13

01011-51805

BOLT

SN: 10002-UP

4шт.

14

01643-31845

WASHER

SN: 10002-UP

4шт.

15

01011-51840

BOLT

SN: 10002-UP

4шт.

16

281-20-15221

PLATE

SN: 10002-UP

2шт.

17

232-14-00410

SHIM ASS'Y

SN: 10002-UP

1шт.

|17

0

SHIM¤ 0.2MM

SN: 10002-UP

4шт.

|17

0

SHIM¤ 0.5MM

SN: 10002-UP

4шт.

|17

0

SHIM¤ 1.0MM

SN: 10002-UP

4шт.

18

234-01-31170

PLATE

SN: 10002-UP

2шт.

19

234-01-31210

PLATE

SN: 10002-UP

1шт.

20

287-01-31150

CUSHION

SN: 10002-UP

2шт.

21

01011-52465

BOLT

SN: 10002-UP

2шт.

22

01643-32460

WASHER

SN: 10002-UP

2шт.

23

234-01-00010

SHIM ASS'Y

SN: 10002-UP

1шт.

|23

0

SHIM¤ 0.2MM

SN: 10002-UP

10шт.

|23

0

SHIM¤ 1.0MM

SN: 10002-UP

4шт.

24

01011-51825

BOLT

SN: 10002-UP

2шт.

25

01643-31845

WASHER

SN: 10002-UP

2шт.

26

01580-11815

NUT

SN: 10002-UP

2шт.

Выбрано товаров: 34