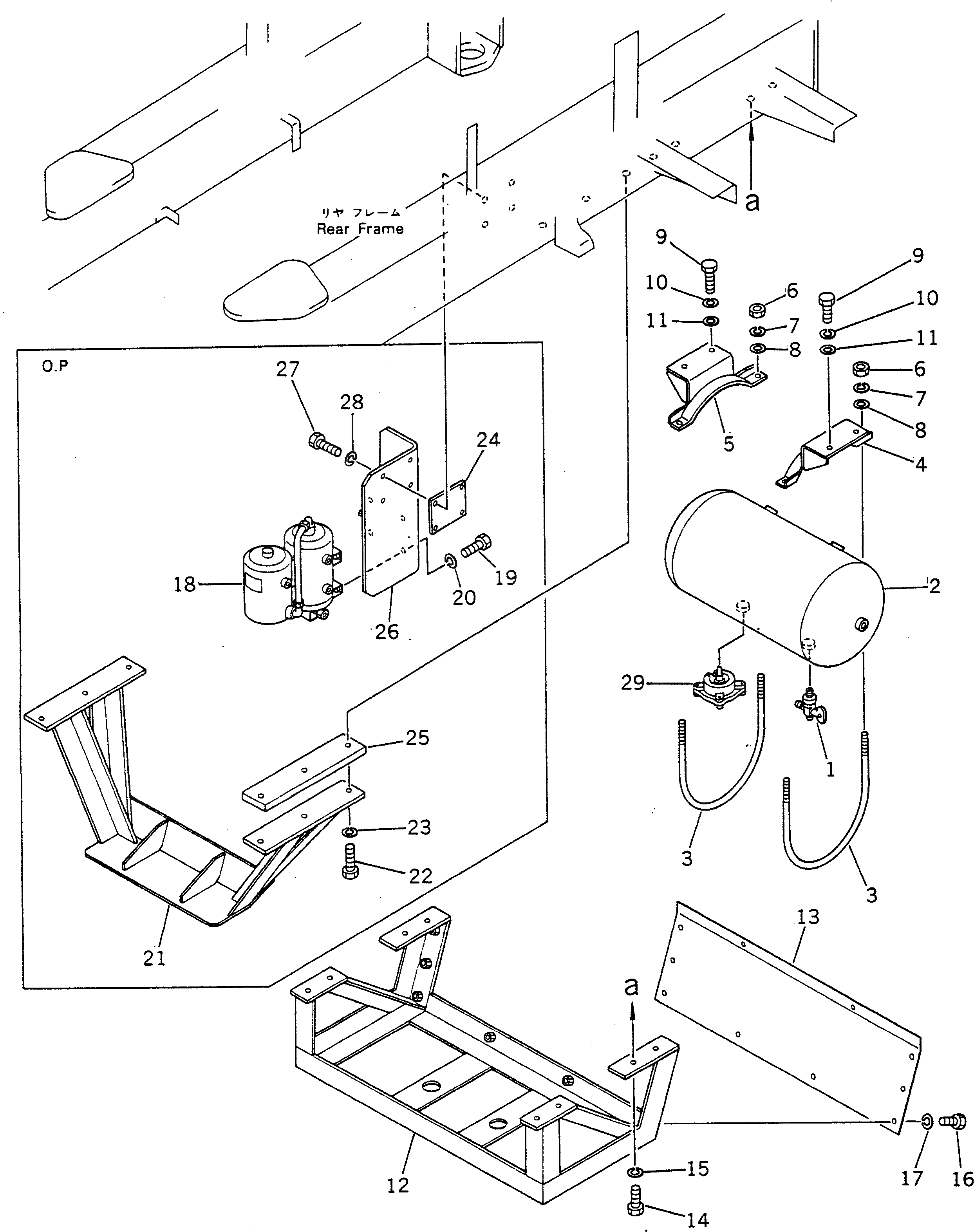
Запчасти Komatsu GD705A-3A ТОРМОЗНАЯ ГИДРОЛИНИЯ (/) СДВОЕНН. ПРИВОД И КОЛЕСА

Схема запчастей Komatsu GD705A-3A - ТОРМОЗНАЯ ГИДРОЛИНИЯ (/) СДВОЕНН. ПРИВОД И КОЛЕСА
FIT
1:1
100%

Артикул

Название

Примечание

Количество

1

500-44-14140

VALVE

SN: 10002-UP

2шт.

2

234-44-11114

TANK

SN: 10002-UP

1шт.

3

232-44-54810

U-BOLT

SN: 10002-UP

2шт.

4

232-44-54830

SUPPORT

SN: 10002-UP

1шт.

5

232-44-54820

SUPPORT

SN: 10002-UP

1шт.

6

01580-11008

NUT

SN: 10002-UP

4шт.

7

01602-21030

WASHER

SN: 10002-UP

4шт.

8

01643-21032

WASHER

SN: 10002-UP

4шт.

9

01010-51030

BOLT

SN: 10002-UP

4шт.

10

01602-21030

WASHER

SN: 10002-UP

4шт.

11

01643-21032

WASHER

SN: 10002-UP

4шт.

12

234-44-31810

GUARD

SN: 10002-UP

1шт.

13

234-44-31820

COVER

SN: 10002-UP

1шт.

14

01010-51425

BOLT

SN: 10002-UP

8шт.

15

01602-21442

WASHER

SN: 10002-UP

8шт.

16

01010-51020

BOLT

SN: 10002-UP

10шт.

17

01602-21030

WASHER

SN: 10002-UP

10шт.

18

232-44-51200

DRYER

SN: 10002-UP

1шт.

19

232-44-51920

BOLT

SN: 10002-UP

4шт.

20

01602-21236

WASHER

SN: 10002-UP

4шт.

21

234-44-31720

GUARD

SN: 10002-UP

1шт.

22

01010-51425

BOLT

SN: 10002-UP

6шт.

23

01602-21442

WASHER

SN: 10002-UP

6шт.

24

238-46-12730

SEAT

SN: 10002-UP

1шт.

25

234-44-31730

PLATE

SN: 10002-UP

2шт.

26

234-44-31740

BRACKET

SN: 10002-UP

1шт.

27

01010-51225

BOLT

SN: 10002-UP

4шт.

28

01602-21236

WASHER

SN: 10002-UP

4шт.

29

234-44-53510

VALVE

SN: 10002-UP

2шт.

Выбрано товаров: 29